e-peas AEM15820 Ultra Efficient Energy Manager PMIC

e-peas AEM15820 Ultra Efficient Energy Manager PMIC is a compact, fully integrated power management IC (PMIC) designed to harvest DC energy, store it in a rechargeable element, and supply power to an application circuit. The AEM15820 can also charge the storage element from a 5V input when additional energy is needed. The ultra‑efficient architecture helps extend battery life and, in many cases, remove the need for primary energy storage across a wide range of applications.

Equipped with both low‑ and high‑power boost converters and a Maximum Power Point Tracking (MPPT) module, operating in open‑circuit ratio or constant‑voltage modes, the device maximizes harvested power across broad input conditions. A dedicated cold‑start circuit enables operation from input voltages as low as 275mV (1.5µW minimum).

The built‑in Average Power Monitoring (APM) feature provides insight into the energy delivered from the harvester to the storage element and from the storage element to the load. A shipping mode disables charging and discharging during transportation or storage. A high‑efficiency buck regulator with selectable output voltage supports powering the application circuit, while I2C communication allows full control of the e-peas AEM15820’s settings through the system’s MCU.

Features

  • Wide input power range
    • Hybrid boost architecture for a wide input power range
    • 5µA to 1A source current range
    • Automatic low/high power mode transition
    • Up to 97% conversion efficiency
    • Harvest from 300mV after a cold start
  • Maximum power point tracking
    • Source regulation configurable to constant voltage mode or open-circuit ratio mode
    • Optimal harvesting from various types of harvesters (PV cells, RF, vibration, pulsed sources, and more)
  • Cold start from 275mV/1.5µW input - startup at ultra-low power from the source input
  • Configurable overdischarge and overcharge protection supports various types of rechargeable storage elements (LiC, Li-ion, LiPo, Li-ceramic pouch, and more)
  • Regulated output for the application circuit
    • Up to 96% buck regulator conversion efficiency
    • 0.6V and 3.3V selectable output voltage options
    • Up to 100mA output current
  • Thermal monitoring - storage element protection against overtemperature and under-temperature during charging and discharging, independently
  • Average power monitoring - provides data to determine how much energy has been transferred to the storage from each boost converter and from the 5V charger, as well as the energy drained from the storage to supply the application circuit
  • System configuration by GPIO or I2C communication
    • All settings are dynamically configurable through GPIO or I2C (Fast Mode Plus)
    • System data available through I2C
  • Shipping mode - Storage element charge and discharge disabling during shipment
  • External 5V charging capability
    • Extra charging input for 5V power supplies
    • 135mA maximum configurable CC and CV modes
    • Provides a fast charging alternative when no source is available for a long time
  • 40-pin QFN 5mm x 5mm package

Applications

  • Headphones and headsets
  • Laptops and e-readers
  • CCTV cameras
  • Toll badges
  • Robotics
  • Fleet management

Specifications

  • Power conversion
    • 1.5µW typical minimum source power required for cold start
    • 0.275V typical minimum source voltage required for cold start
    • 13.50mA to 135mA maximum charging current range of the 5V charger
    • 6.75mA typical charging current of the 5V charger in overdischarge
    • 1.50V to 5.0V VDDIO voltage range
  • Timing
    • 233ms to 465ms maximum wait time range before VOC measurement begins during MPP evaluation
    • 1.36ms typical duration of VOC measurement during MPP evaluation
    • 0.116s to 14.895s time range between two MPP evaluations
    • 1.86s typical GPIO monitoring rate
    • 15ms to 116ms typical storage element voltage monitoring range
    • 7.45s typical temperature monitoring rate
    • 50µs typical minimum rise time from 0V to 5V on the 5V_IN pin
  • Storage element
    • 2.40V to 4.59V voltage range
    • 2.400V to 3.581V voltage range below which the storage element is considered to be fully depleted, and must not be discharged any further
    • 2.456V to 4.312V voltage range required, in START STATE, on the storage element to switch to SUPPLY STATE
    • 2.700V to 4.594V maximum voltage range accepted on the storage element before disabling charging
    • 2.456V to 4.312V minimum voltage range accepted on the storage element before starting to supply the LOAD if the 5V charger is not charging
    • 2.652.65 to 4.70V voltage range on STO at which the 5V charger stops charging the storage element in constant voltage (CV) mode
  • Internal supply and quiescent current
    • 2.25V typical internal voltage supply
    • 2.00V typical minimum voltage on VINT before switching to RESET STATE (from any other state)
    • 2.30V typical minimum voltage on VINT to allow the AEM15820 to switch from RESET STATE to SENSE STO STATE
    • 460nA to 645nA typical internal quiescent current range on STO in SUPPLY STATE
    • 1000nA maximum internal quiescent current on STO in SLEEP STATE
    • 15nA typical internal quiescent current on STO in shipping mode and on STO in RESET STATE
  • External components
    • 33µH typical low-power boost converter inductor
    • 3.3µH typical high-power boost converter inductor
    • 330kΩ typical resistor pulling the QP_PG gate HIGH when the BST_HP_PG pin is LOW, turning the high-power boost converter off
    • 330kΩ typical resistor pulling BST_HP_DRV pin low
    • 10µH typical buck converter inductor
    • 22µF typical buck converter decoupling capacitor
    • 10µF typical VINT terminal decoupling capacitor
    • 47µF typical STO terminal decoupling capacitor
    • 47µF typical high-power boost converter decoupling capacitor
    • 47µF typical 5V_IN terminal decoupling capacitor
    • 0.37kΩ to 3.7kΩ resistor connected to the 5V_IMAX pin for configuring the 5V charger current when in constant current (CC) mode
    • 1kΩ typical I2C interface pull-up resistors
    • 40kΩ maximum resistor used to create a resistive divider with RTH for thermal monitoring operation
  • -40°C to +85°C operating junction temprature range
  • ESD ratings 
    • ±2000V Human-Body Model (HBM)
    • ±1000V Charged-Device Model (CDM)

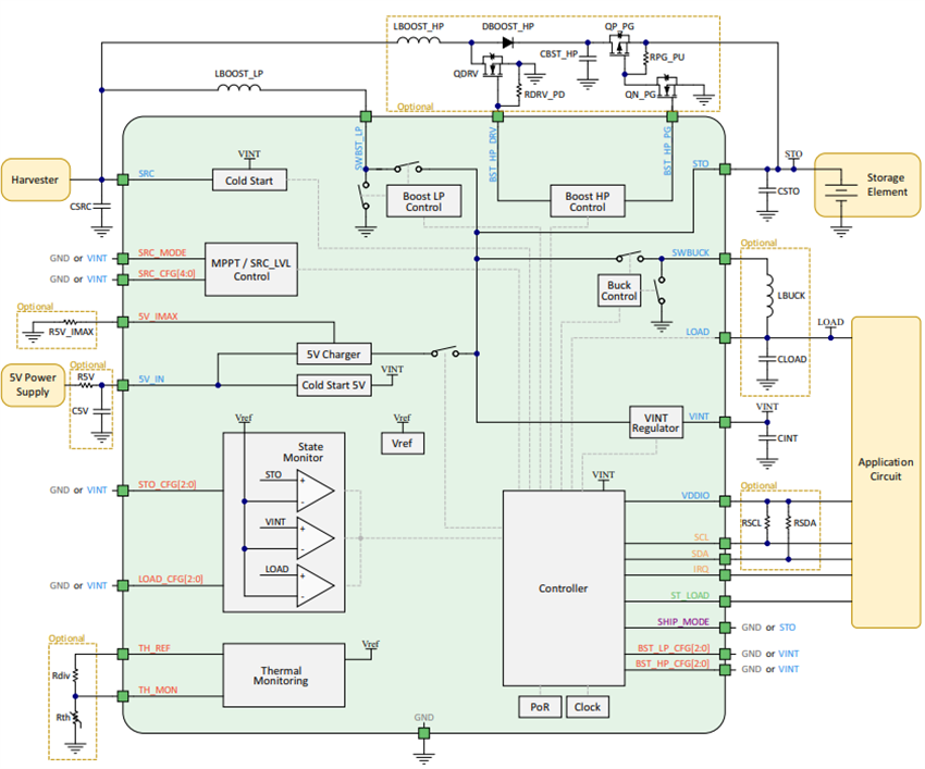
Simplified Schematic

Schematic - e-peas AEM15820 Ultra Efficient Energy Manager PMIC

Functional Block Diagram

Block Diagram - e-peas AEM15820 Ultra Efficient Energy Manager PMIC
Published: 2026-02-06 | Updated: 2026-02-18