Weidmuller PRO DM DIN Rail Power Supplies

Weidmuller PRO DM DIN Rail Power Supplies are designed to connect two Weidmüller power supplies and compensate for a device failing. These capacity modules offer power reserves that deliver the quick triggering of a circuit breaker, for example. The modules measure 125mm x 125mm x 32mm (D x H x W) and have a screw connection system. The power supplies are mounted horizontally on a TS35 rail with 50mm of clearance at the top and bottom for air circulation. The units can be mounted side by side with no space in between. Weidmuller PRO DM DIN Rail Power Supplies feature a 24VDC rated input voltage and an operating temperature range of -40°C to +70°C.

Features

  • Screw connection system
  • Horizontal mounting on TS35 rail with 50mm of clearance at top and bottom for air circulation
  • Can mount side by side with no space in between
  • RoHS compliant

Specifications

  • 125mm x 125mm x 32mm (D x H x W)
  • 24VDC rated input voltage
  • -40°C to +70°C operating temperature range

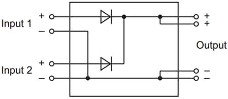
Block Diagram

Weidmuller PRO DM DIN Rail Power Supplies
Published: 2022-05-31 | Updated: 2022-06-07