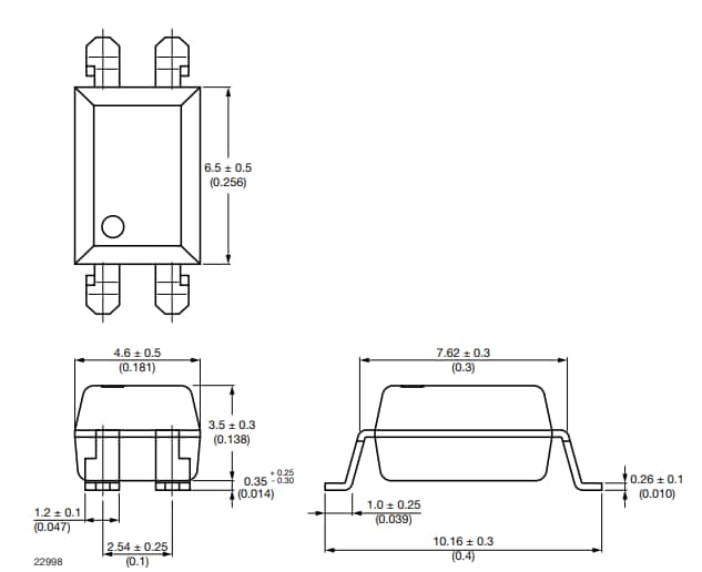
Vishay VOT8024AM and VOT8121Ax PhotoTRIAC Optocouplers
Vishay VOT8024Ax and VOT8121Ax PhotoTRIAC Optocouplers deliver a high dV/dt output and a low input current in compact flat SOP-4/DPI-4/SMD-4 packages. These optocouplers feature high-input sensitivity, 100mA on-state current, and 800V peak off-state blocking voltage. Vishay VOT8024Ax and VOT8121Ax PhotoTRIAC Optocouplers isolate low-voltage logic from 120VAC, 240VAC, and 380VAC lines to control resistive, inductive, or capacitive loads. These loads include motors, solenoids, high-current thyristors or TRIAC, and relays.The VOT8024Ax optocouplers consist of a GaAs infrared LED optically coupled to a zero crossing TRIAC, for EMI reduction without the need for external snubber networks. The VOT8121Ax optocouplers consist of a GaAs infrared LED optically coupled to a random-phase or non-zero crossing TRIAC that enables phase-independent switching.
Features
- Low trigger current:
- VOT8024AM: 5mA
- VOT8121Ax: 10mA
- 800V peak off-state voltage
- High static dV/dt of 1000V/μs
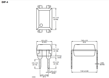
- Packages:
- 2mm SOP-4 for VOT8024AM
- SOP-4/DIP-4/SMD-4 for VOT8121Ax
- Pb-free and RoHS-compliant
Applications
- Power TRIAC drivers in solid-state relays
- Three-phase AC equipment
- White goods / household equipment
- Industrial motor control and power line switching
- Motor, lamp, and valve control in household appliances
Resources
Videos
Published: 2018-12-18
| Updated: 2023-03-06
