Vishay Semiconductors VOMA617A Optocoupler
Vishay Semiconductors VOMA617A Optocoupler delivers a high current transfer ratio at low input current, low coupling capacitance, and high isolation voltage. VOMA617A features a GaAlAs infrared emitting diode, which is optically coupled to a silicon planar phototransistor detector. The VOMA617A Optocoupler is designed for signal transmission between two electrically separated circuits, particularly in automotive applications, as well as industrial applications requiring high reliability. Vishay Semiconductors VOMA617A Optocouplers are offered in a compact, low-profile SOP-4 package, ideal for space-constrained designs.Features
- AEC-Q101 qualified
- High CTR with low input current
- SOP-4 low profile package
- High collector emitter voltage, VCEO = 80V
- Isolation test voltage = 3750VRMS
- Low coupling capacitance
- -40°C to +110°C operating temperature range
- 4-SOP package
- Pb Free, Halogen Free, RoHS Compliant
- Approvals:
- UL1577
- cUL 1577
- DIN EN 60747-5-5 (VDE 0884-5)
- CQC GB4943.1-2011 (pending)
Applications
- Galvanic and noise isolation
- Signal transmission
- Hybrid / electric vehicle applications
- Battery management
- 48V board net
- System control
Videos
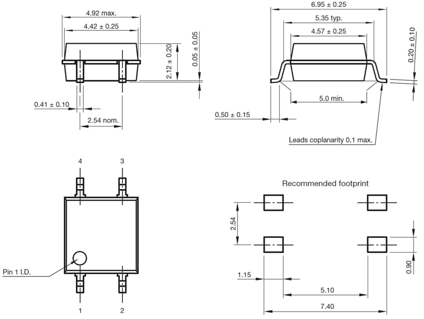
Package Dimensions
Additional Resource
Published: 2018-05-08
| Updated: 2024-03-01
