Toshiba High Voltage DC Motor Drivers & Controllers
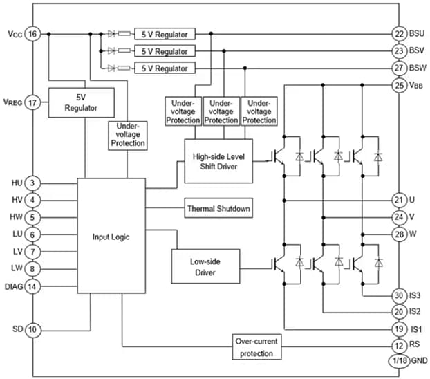
Toshiba TPD4163K, TPD4164K, and TPD4165K High Voltage DC Motor Drivers and Controllers that use PWM control and are fabricated using a high-voltage SOI process. These power ICs are three-shunt resistor circuits for current sensing. These drivers feature level shift high-side drivers, low-side drivers, IGBT outputs, and FRDs. The DC motor drivers provide protective functions for overcurrent circuits, under-voltage protection circuits, and thermal shutdown circuits. These drivers include a 5V built-in regulator, built-in bootstrap diodes, and 1µs dead time. All three devices are suitable for sine-wave driving.Features
- High voltage power side
- Low voltage signal side terminals are separated
- Current sensing in three-shunt resistance
- Bootstrap circuit gives simple high-side supply
- Built-in bootstrap diodes
- 1μs minimum dead time suitable for a sine-wave from the drive
- 3-phase bridge output using IGBTs
- Overcurrent and undervoltage protection
- Shutdown function controlled by SD pin
- Thermal shutdown
- Built-in 5V regulator
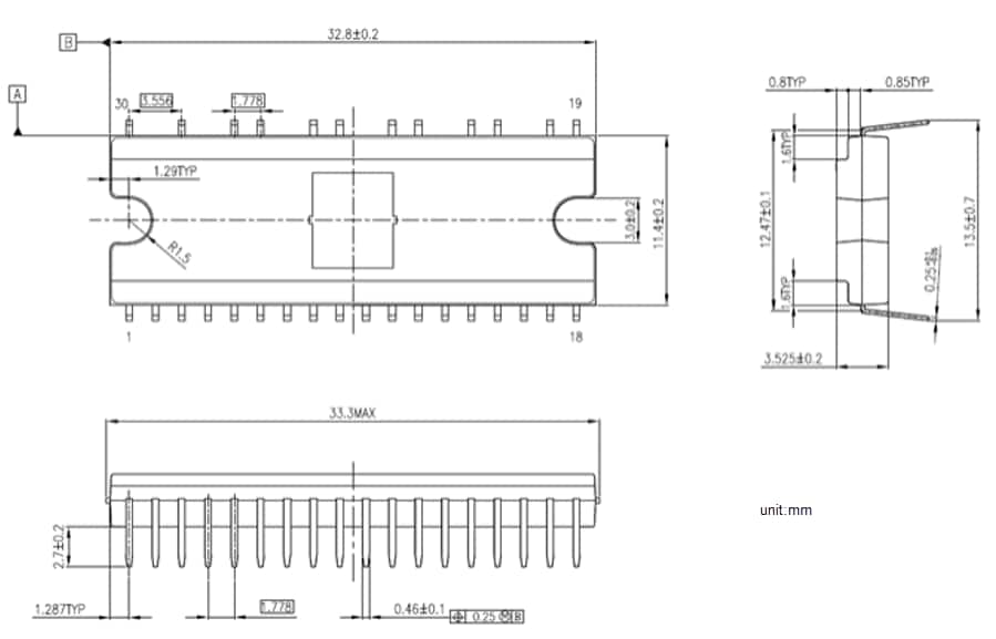
- 30-pin or 31-pin surface mount type package
Specifications
- 2A or 3A output current (DC)
- 600VBB to 20VCC power supply voltage range
- -40°C to 135°C operating junction temperature range
- 27W power dissipation
Videos
Block Diagram
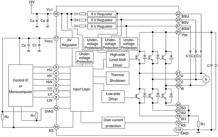
Application Circuit Diagram
Dimensional Diagram
Published: 2023-08-29
| Updated: 2024-05-09
