Toshiba TC78B04x Brushless Motor Controllers
Toshiba TC78B04x Brushless Motor Controllers are sine-wave PWM drive three-phase full wave devices developed for three-phase brushless DC fan motors. The TC78B041FNG motor controller is available in SSOP30 package, while the TC78B042FTG controller comes in QFN32 package and adds RESX and VREF2 pins. These motor controllers feature automatic lead angle control, lead angle control with external input, forward/reverse rotation switch, and built-in motor lock detection.Features
- Sine-wave PWM control
- Automatic lead angle control (InPAC: Intelligent Phase Control)
- High-level efficiency over a range of rotation speeds
- Lead angle control with external input
- Low noise and low vibration
- Hall sensor input/Hall IC input
- Forward rotation/reverse rotation switch
- Eliminates phase adjustment
- Lower mechanical stress for the motor
- Selectable number of pulses of rotation pulse signal output
- Output current can be limited
- Built-in regulator circuit (5V typical VREF, 35mA (max))
- 6VCC to 16.5VCC operating supply voltage range
- Built-in motor lock detection
- Space saving
- More compact motor electronic designs
Applications
- Fans for home and industrial appliances
- Air conditioners
- Air purifiers
- Water heaters
- Ventilation fans
- Electric fans
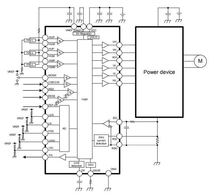
Application Circuit
Published: 2019-04-17
| Updated: 2023-11-28
