Toshiba TB9083FTG 3-Phase Brushless Gate Driver IC
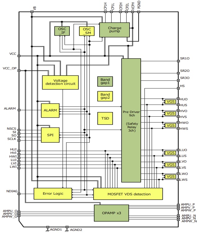
Toshiba TB9083FTG 3-Phase Brushless Gate Driver IC is an AEC-Q100-qualified automotive device for brushless motors. This pre-driver IC comes with an oscillator circuit, a motor current detector circuit, a charge pump, and an SPI communication circuit. The TB9083FTG contains a built-in safety relay and a three-phase pre-driver. This automotive gate driver from Toshiba offers numerous error detection features and is non-inverting. Typical applications include electric power steering (EPS) and powered brakes.Features
- 3-phase pre-driver PWM control up to 20kHz
- Fail-safe relay pre-driver
- Built-in charge pump circuit
- Built-in current detector circuit
- Built-in ABIST/LBIST
- AEC-Q100 qualified
- Error detection functionality
- Undervoltage (VB, VCC, VCC_OP)
- Overvoltage (VCC, VCC_OP, VCPH, external MOSFET VGS)
- Overtemperature
- External MOSFET VDS detector
Specifications
- P-VQFN48-0707-0.50-005 package
- Operating voltage range
- 4.5V to 28V VB
- 3V to 5.5V VCC
- Operating temperature range
- Ambient: -40°C to +150°C
Junction: -40°C to +175°C
- Ambient: -40°C to +150°C
Applications
- Powered brakes and pumps
- EPS
Safety
- Functional safety
- Developed in accordance with ISO 26262 2nd Ed.
- Safety manual and safety evaluation report
- Redundancy and built-in ABIST/LBIST
- SPI interface with CRC check
Overview
Block Diagram
Dimensions - mm
Published: 2023-01-23
| Updated: 2024-12-03
