Toshiba 40V & 50V Stepper Motor Drivers
Toshiba 40V and 50V Stepper Motor Drivers are compact, fully integrated, and suitable for various industrial applications like printers and CNC machines. The Toshiba drivers offer precise control with micro-stepping options, including features like an integrated charge pump and Advance Current Detection System (ACDS) for effective motor driving. Error detection alerts external hosts during fault conditions.
Features
- 40V and 50V fully integrated stepper motor drivers
- Wide operating range, 4.5V to 34V for 40V drivers, 8.2V to 44V for 50V drivers
- 1.5A to 3.0A range
- Advanced Dynamic Mixed Decay (ADMD)
- Advanced Current Detection System (ACDS)
- No charge pump capacitor is needed
- Fault alert
- QFN24 4mm x 4mm, QFN32 5mm x 5mm, and HTSSOP28 packages
Applications
- Printers
- 3D printers
- CNC machines
- Actuators
- Automation
- Robotics
- Vending machines
- ATMs
- Gaming machines
- Industrial equipment
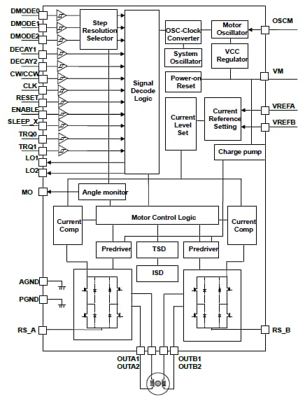
Block Diagram
Videos
View Results ( 3 ) Page
| Part Number | Datasheet | Output Current | Package/Case | Operating Frequency | Type |
|---|---|---|---|---|---|
| TB67H481FTG | 2.7 A | QFN-32 | 50 kHz | Dual Half Bridge Motor Driver | |
| TB67S569FTG | 1.8 A | QFN-32 | 70 kHz | PWM Chopper | |
| TB67S589FTG | 3 A | QFN-32 | 70 kHz | Bipolar Stepper Motor Driver |
Published: 2024-01-15
| Updated: 2025-12-05
