Texas Instruments UCD3138A Highly Integrated Digital Controller

Texas Instruments UCD3138A Highly Integrated Digital Controller is a digital power supply controller offering superior levels of integration and performance in a single-chip solution. The flexible nature of the UCD3138A makes it suitable for a wide variety of power conversion applications. In addition, multiple peripherals inside the device have been specifically optimized to enhance the performance of AC-DC and isolated DC-DC applications. This will reduce the solution component count in the IT and network infrastructure space. Texas Instruments UCD3138A Highly Integrated Digital Controller is a fully programmable solution offering customers complete control of their application.

Features

  • Digital control of up to 3 independent feedback loops:
    • Dedicated PID-based hardware
    • 2-Pole/2-Zero configurable
    • Nonlinear control
  • Soft start / stop with and without Prebias
  • Fast input voltage feed forward hardware
  • Synchronous rectifier dead time optimization peripheral to use with UCD7138 synchronous rectifier driver
  • Up to 16MHz Error Analog-to-Digital Converter (EADC):
    • Configurable resolution as small as 1 mV/LSB
    • Automatic resolution selection
    • Up to 8x oversampling
    • Hardware-based averaging (up to 8x)
    • 10-Bit effective DAC with 4-Bits of Dither
    • Adaptive sample trigger positioning
  • Up to 8 high-resolution Digital Pulse Width Modulated (DPWM) outputs:
    • 250ps pulse width resolution
    • 4ns frequency and phase resolution
    • Adjustable phase shift between outputs
    • Adjustable dead-band between pairs
    • Cycle-by-Cycle duty cycle matching
    • Up to 2MHz switching frequency
  • Configurable PWM Edge movement:
    • Trailing modulation
    • Leading modulation
    • Triangular modulation
  • Configurable feedback control:
    • Voltage mode
    • Average current mode
    • Peak current mode control
    • Constant current
    • Constant power
  • Configurable modulation methods:
    • Frequency modulation
    • Phase shift modulation
    • Pulse width modulation
  • Fast, automatic, and smooth mode switching:
    • Frequency modulation and PWM
    • Phase shift modulation and PWM
    • Frequency modulation and phase shift modulation
  • High-efficiency and light load management:
    • Burst mode
    • Ideal diode emulation
    • Synchronous rectifier soft On/Off
    • Low IC standby power
  • Primary side voltage sensing
  • Copper trace current sensing
  • Flux and phase current balancing
  • Current share bus support:
    • Average or master and slave
  • Rich fault protection options:
    • 7 high-speed analog comparators
    • Cycle-by-Cycle current limiting
    • Programmable fault
    • External fault capability
    • 10 digital comparators
    • Programmable blanking time
  • Synchronization of DPWM waveforms between multiple UCD3138A devices
  • 14-Channel, 12-Bit, 267-ksps general-purpose ADC:
    • Programmable averaging filters
    • Dual sample and hold
  • Internal temperature sensor
  • Fully programmable high-performance 31.25MHz, 32-Bit ARM7TDMI-S processor:
    • 32KB of program flash
    • 2KB of data flash with ECC
    • 4KB of Data RAM
    • Firmware Boot-load in the field via I2C or UART
  • Communication peripherals:
    • I2C/PMBus
    • 2 UARTs on UCD3138ARGC (64-Pin QFN)
    • 1 UART on UCD3138ARMH (40-Pin QFN)
  • UART Auto-baud rate adjustment
  • Timer Capture with selectable input pins
  • Up to 5 additional general purpose timers
  • Built-in watchdog: BOD and POR
  • 64-Pin QFN and 40-Pin QFN packages
  • 40-Pin QFN ICP9592A T/C qualification
  • Operating temperature: -40°C to 125°C
  • Debug interface:
    • Code Composer Studio™ with JTAG interface
    • Fusion Digital Power™ designer GUI support

Applications

  • Power supplies and telecom rectifiers
  • Isolated DC-DC modules
  • Power factor correction

Videos

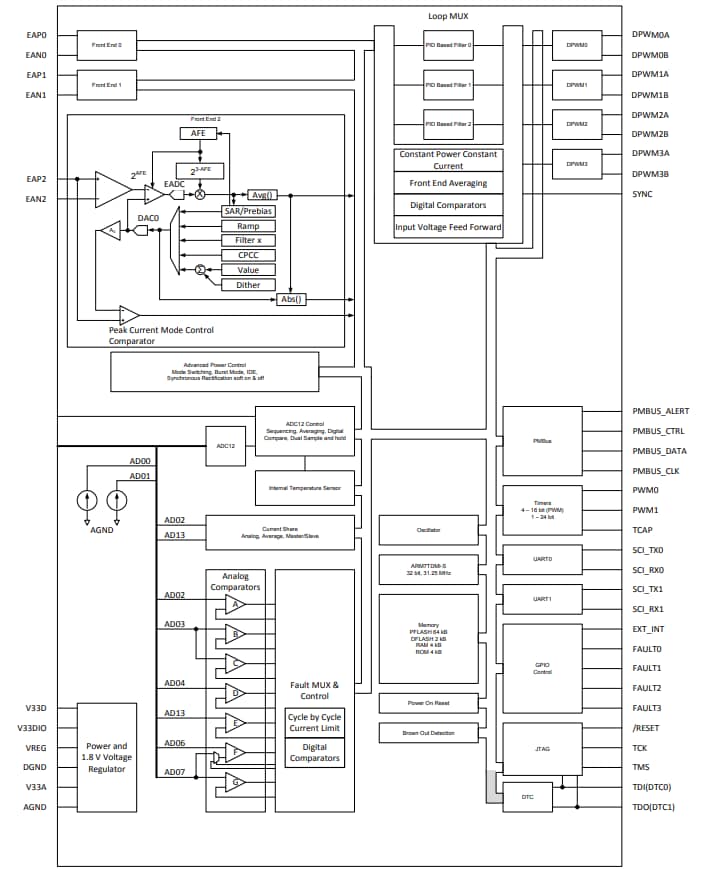
Functional Block Diagram

Block Diagram - Texas Instruments UCD3138A Highly Integrated Digital Controller

TI Reference Designs Library

TI Reference Designs - Texas Instruments UCD3138A Highly Integrated Digital Controller
Published: 2015-04-30 | Updated: 2022-03-11