Texas Instruments UCC33421/-Q1 DC/DC Modules
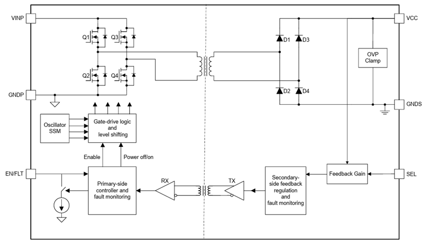
Texas Instruments UCC33421/-Q1 DC/DC Modules offer integrated transformer technology that delivers 1.5W of isolated output power. The UCC33421/-Q1 supports an input voltage operation range of 4.5V to 5.5V and regulates a 5.0V output voltage with a selectable headroom of 5.5V. The DC/DC Modules feature a proprietary transformer architecture that provides a 5kVRMS isolation rating while simultaneously supporting low EMI and superior load regulation. The UCC33421/-Q1 integrates protection features to enhance system robustness, including an enable pin with fault reporting, short-circuit protection, and thermal shutdown.
The UCC33421/-Q1 is available in a miniaturized, low-profile SSOP (5.85mm x 7.50mm) package with a height of 2.65mm and >8.2mm clearance and creepage.
The TI UCC33421-Q1 is AEC-Q100 qualified for automotive applications.
Features
- 1.5W maximum output power
- 4.5V to 5.5V input voltage operation range
- 5.0V, 5.5V regulated selectable output voltage
- 5.0V: 300mA available load current
- 0.5% typical load regulation
- 4mV/V typical line regulation
- Robust isolation barrier:
- 5KVRMS isolation rating
- 10.4kVPK surge capability
- 1700VPK working voltage
- ±8KV IEC 61000-4-2 contact discharge protection across the isolation barrier
- 250V/ns common mode transient immunity
- Power-dense isolated DC/DC module with integrated transformer technology
- Adaptive spread spectrum modulation (SSM)
- Meets CISPR-25 Class 5 emission
- Strong magnetic fields immunity
- Overload and short circuit protection
- Thermal shutdown
- Low inrush current soft-start
- Enable pin with a fault reporting mechanism
- AEC-Q100 qualified with the following results:
- Device temperature Grade 1: -40°C to +125°C ambient operating temperature
- Functional Safety-Capable
- Documentation available to aid functional safety system design
- SSOP-1 6 (5.85mm x 7.50mm) package
- >8.2mm clearance and creepage
Applications
- Traction inverters
- HEV/EV OBC and DC/DC converter
- Battery-Management Systems (BMS)
- Bias power for isolated measurements
- Bias power for an isolated signal chain
Datasheets
Simplified Application
Functional Block Diagram
