Texas Instruments TPS92662A-Q1 LED Matrix Manager
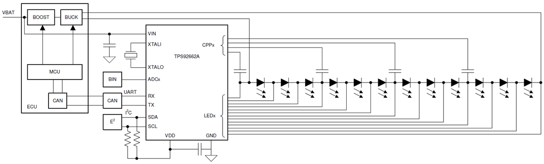
Texas Instruments TPS92662A-Q1 LED Matrix Manager enables fully dynamic adaptive lighting solutions by providing individual pixel-level LED control. The device includes four sub-strings of three series-connected integrated switches for bypassing individual LEDs. The individual sub-strings allow the device to accept single or multiple current sources. The TPS92662A-Q1 features a programmable Pierce crystal oscillator driver. Optimal performance is achieved by selecting the driver strength based on the manufacturer's recommendations for quartz crystal or ceramic resonators. The device also incorporates a selectable drive strength clock buffer. The rise and fall times and the EMI generated by a clock signal are controlled by varying the drive strength of the clock buffer. When necessary, the clock buffer can be disabled to eliminate the noise generated by the clock signal and provide the lowest EMI performance.The TPS92662A-Q1 supports the multi-drop universal asynchronous receiver transmitter (UART) serial interface and is compatible with TPS92662-Q1 and TPS92663-Q1 devices. The I2C communication interface can read from and write to an external EEPROM to store system calibration data. An onboard 8-bit ADC with two multiplexed inputs can be used for system temperature compensation and to measure a binning value, allowing LED binning and coding. The internal charge pump rail supplies the gate drive voltage for the LED bypass switches. The bypass switch's low on-resistance (RDS(on)) minimizes conduction loss and power dissipation. The TPS92662A-Q1 and TPS92663-Q1 incorporate identical register settings for programming phase shift and pulse width of each LED in the string and for reporting LED open and short circuit faults. The Texas Instruments TPS92662A-Q1 devices are AEC-Q100 qualified for automotive applications.
Features
- AEC-Q100 qualified for automotive applications
- Grade 1 (-40°C to 125°C ambient operating temperature)
- Device HBM classification level H1C
- Device CDM classification level C5
- 4.5V to 60V input voltage range
- 12 integrated bypass switches
- Multi-drop UART communication interface
- Compatible with TPS92662-Q1 and TPS92663-Q1 devices
- Compatible with CAN physical layer
- Eight-bit ADC with two MUXed inputs
- Programmable crystal oscillator driver and clock buffer strength
- Improved radiated and conducted EMI performance
- External EEPROM I2C interface
- Programmable 10-bit PWM dimming
- LED open and short detection and protection
- Supports multi-LMM synchronization for more than 12-LED string via time-division multiplexing
Applications
- Automotive headlight systems
- ADB or glare-free high-beam
- Sequential turn/animated daytime running lights
Simplified Application
