Texas Instruments TPS546D24 SWIFT Buck Converter
Texas Instruments TPS546D24 SWIFT Buck Converter is a highly integrated, non-isolated DC/DC converter capable of high-frequency operation and 40A current output from a 7mm×5mm package. Two, three, and four TPS546D24 devices can be interconnected to provide up to 160A on a single output. The device can overdrive the internal 5V LDO with an external 5V supply via the VDD5 pin to improve efficiency and reduce the power dissipation of the converter. The Texas Instruments TPS546D24 uses a proprietary fixed-frequency current-mode control with input feed-forward and selectable internal compensation components for minimal size and stability over a wide range of output capacitances.Features
- Split rail support: 2.95V to 16V PVIN; 2.95V to 18V AVIN (4VIN VDD5 for switching)
- Integrated 4.5mΩ/0.9mΩ MOSFETs
- Average current mode control with selectable internal compensation
- 2×, 3x, 4× stackable with current sharing up to 160A, supporting a single address per output
- Selectable 0.6V to 5.5V output via pin strap or 0.25V to 5.5V via PMBus VOUT_COMMAND
- Extensive PMBus command set with telemetry for VOUT, IOUT, and internal die temperature
- Differential remote sensing with internal FB divider for < 1% VOUT error –40°C to +150°C TJ
- AVS and margining capabilities through PMBus
- MSEL pins pin programming PMBus defaults
- 12 selectable switching frequencies from 225kHz to 1.5MHz (8 pin-strap options)
- Frequency sync in/sync out
- Supports pre-biased output
- Supports strongly coupled inductor
- 7mm×5mm×1.5mm, 40-pin QFN, pitch = 0.5mm
Applications
- Datacenter switches, rack servers
- An active antenna system, remote radio, and baseband unit
- Automated test equipment, CT, PET, and MRI
- ASIC, SoC, FPGA, DSP core, and I/O voltage
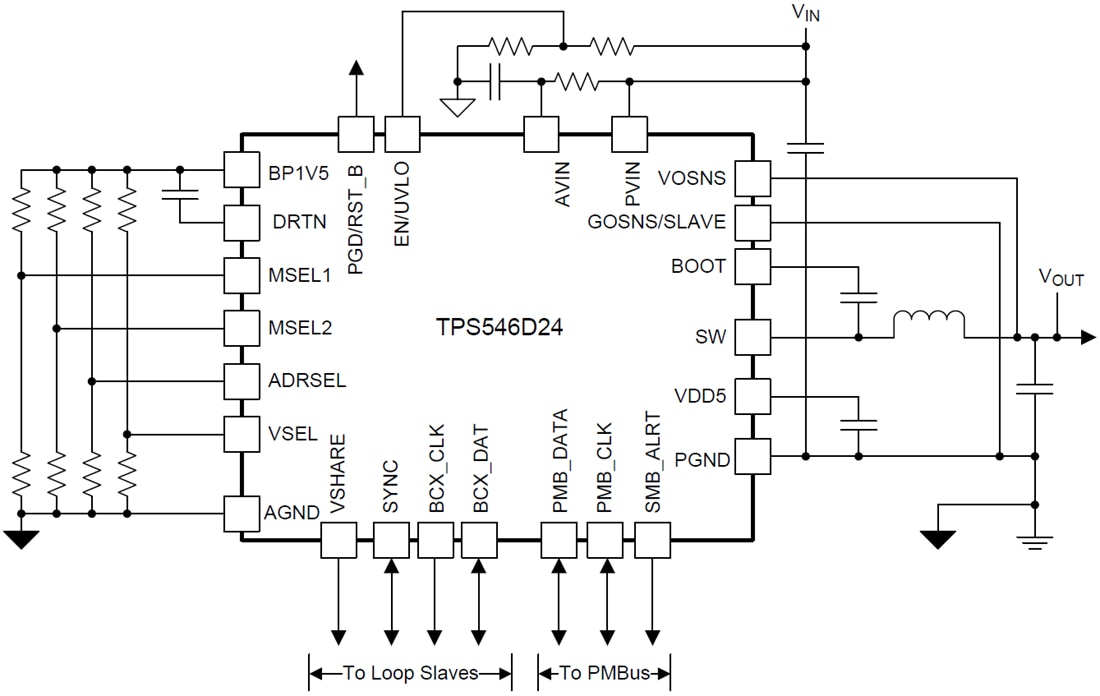
Simplified Application
Published: 2019-03-20
| Updated: 2023-08-09
