Texas Instruments TPS54527 / TPS54528 5A SWIFT™ Converters

Texas Instruments TPS54527 and TPS54528 5A synchronous step down (SWIFT™) converters are adaptive on-time D-CAP2™ mode synchronous buck converters. The TI TPS54527 and TPS54528 feature a wide input voltage range of 4.5V to 18V and an output voltage range of 0.76V to 6.0V. The D-CAP2 mode of these TI SWIFT converters enables fast transient response. The TI TPS54528 includes Eco-mode™ for high efficiency during lighter load conditions. The TI TPS54527 and TPS54528 are designed for use in a wide range of applications for low-voltage systems, including digital TV power supplies and Blu-ray™ players.

Features

  • D-CAP2™ Mode Enables Fast Transient Response
  • Low Output Ripple and Allows Ceramic Output Capacitor
  • Wide VIN Input Voltage Range: 4.5V to 18V
  • Output Voltage Range: 0.76V to 6.0V
  • Auto-Skip Eco-mode for High Efficiency at Light Load (TPS54528)
  • Highly Efficient Integrated FETs Optimized for Lower Duty Cycle Applications
    • 65mΩ (High Side) and 36mΩ (Low Side)
  • High Efficiency, less than 10µA at shutdown
  • High Initial Bandgap Reference Accuracy
  • Adjustable Soft Start
  • Pre-Biased Soft Start
  • 650-kHz Switching Frequency (fSW)
  • Cycle By Cycle Over Current Limit

Applications

  • Digital TV Power Supply
  • High Definition Blu-ray Disc™ Players
  • Networking Home Terminal
  • Digital Set Top Box (STB)

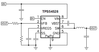
Functional Diagram

Texas Instruments TPS54527 / TPS54528 5A SWIFT™ Converters
View Results ( 5 ) Page
Part Number Datasheet Description
TPS54527DDA TPS54527DDA Datasheet Switching Voltage Regulators 4.5-18VIN 5A SYNC ST EP-DOWN CONVERTER A A 595-TPS54527DDAR
TPS54527DDAR TPS54527DDAR Datasheet Switching Voltage Regulators 4.5-18VIN 5A SYNC ST EP-DOWN CONVERTER A A 595-TPS54527DDA
TPS54528DDA TPS54528DDA Datasheet Switching Voltage Regulators 4.5-18VIN 5A SYNC ST EP-DOWN CONVERTER A A 595-TPS54528DDAR
TPS54528DDAR TPS54528DDAR Datasheet Switching Voltage Regulators 4.5-18VIN 5A SYNC ST EP-DOWN CONVERTER A A 595-TPS54528DDA
TPS54527EVM-052 TPS54527EVM-052 Datasheet Power Management IC Development Tools TPS54527EVM-052
Published: 2012-03-01 | Updated: 2022-03-11