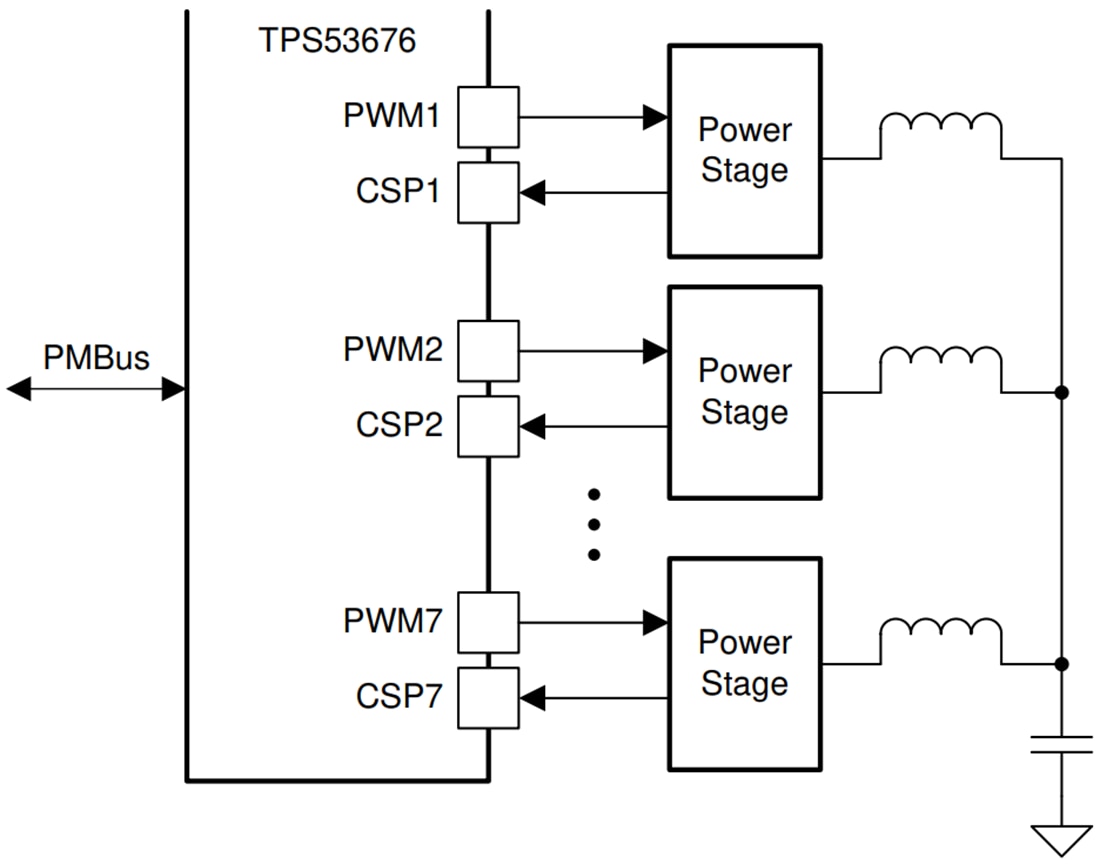
Texas Instruments TPS53676 Buck Multiphase Controller
Texas Instruments TPS53676 Buck Multiphase Controller is a step-down controller with dual channels and built-in non-volatile memory (NVM). It also includes PMBus™ compatible serial interface and is fully compatible with TI NexFET™ smart power stage. Advanced control features such as D-CAP+™ architecture provide a fast transient response, low output capacitance, and good current sharing. The device also provides a novel phase interleaving strategy and flexible firing sequences to improve thermal performance. Adjustable control of output voltage slew rate and voltage positioning is also supported. The device supports the PMBus communication interface for reporting the telemetry of voltage, current, power, temperature, and fault conditions to the system host. All programmable parameters can be configured by the serial interface and stored in NVM as the new default values to minimize the external component count. The Texas Instruments TPS53676 device is offered in a thermally enhanced 48-pin QFN packaged and is rated to operate from –40°C to 125°C.Features
- 4.5V to 17V input voltage range
- 0.25V to 5.5V output voltage range
- 300kHz to 2000kHz per-phase switching frequency range
- Dual output supporting N+M phase configurations (N+M ≤ 7, M ≤ 3)
- AVSBus compliant, per PMBus 1.3.1 part III
- PMBus v1.3.1 system interface for configuration, control, and telemetry of voltage, current, power, temperature, and fault status
- Adaptive voltage scaling (AVS) through VOUT_COMMAND
- Enhanced D-CAP+ control to provide super transient performance with excellent dynamic current sharing
- Programmable loop compensation
- Flexible phase-firing order
- External pin strap for Ch. A boot voltage settings
- Individual phase current calibrations and reporting
- Phase thermal balance management (TBM)
- Full support for dynamic phase shedding (DPS)
- Fast phase-adding for undershoot reduction (USR)
- Body-diode braking for overshoot reduction (OSR)
- Driverless configuration for efficient high-frequency switching
- Fully Compatible with TI NexFET™ power stage for high-density solutions
- Accurate, programmable adaptive voltage positioning (AVP)
- Patented AutoBalance™ phase balancing
- 6mm × 6mm, 48-pin, QFN package
Applications
- Datacenter network switches
- Campus and branch switches
- Core and edge routers
- Hardware accelerator cards
- High-performance CPU/ASIC/FPGA power
Simplified Application
Published: 2021-02-16
| Updated: 2022-03-29
