Texas Instruments SN74LVC157A/SN74LVC157A-Q1 Data Multiplexers

Texas Instruments SN74LVC157A/SN74LVC157A-Q1 Data Selectors/Multiplexers are 2-line to 1-line devices with four channels. These digital data selectors/multiplexers feature <0.8V typical VOLP (output ground bounce) at VCC=3.3V, TA=25°C and >2V typical VOHV (output VOH undershoot) at VCC=3.3V, TA=25°C. The SN74LVC157A-Q1 data selectors/multiplexers are qualified for automotive applications and are designed to operate within the 2.7VCC to 3.6VCC voltage range.

Features

  • Inputs accept voltages up to 5.5V
  • <0.8V typical VOLP (output ground bounce) at VCC=3.3V, TA=25°C
  • >2V typical VOHV (output VOH undershoot) at VCC=3.3V, TA=25°C
  • -50mA input clamp current
  • SN74LVC157A:
    • Operates from 1.65V to 3.6V
    • 5.2ns maximum propagation delay time at 3.3V
    • Latch-up performance exceeds 250mA per JESD 17
    • ESD protection exceeds JESD 22:
      • 2000V human-body model (A114-A)
      • 1000V charged-device model (C101)
  • SN74LVC157A-Q1:
    • Qualified for automotive applications
    • ESD protection exceeds 2000V per MIL-STD-883, method 3015
    • Operates from 2V to 3.6V
    • 5.4ns maximum propagation delay time at 3.3V

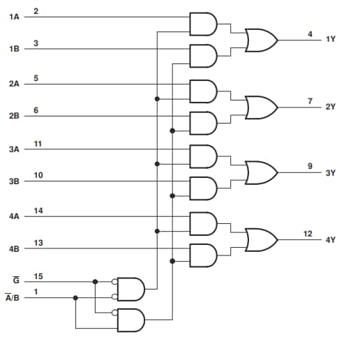
Functional Block Diagram

Block Diagram - Texas Instruments SN74LVC157A/SN74LVC157A-Q1 Data Multiplexers
Published: 2024-07-18 | Updated: 2024-07-29