Texas Instruments INA597 Precision e-trim™ Difference Amplifier
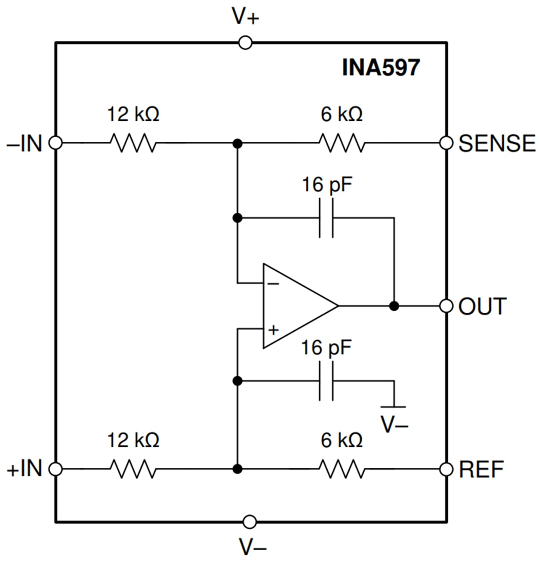
Texas Instruments INA597 Precision e-trim™ Difference Amplifier is a low-power wide-bandwidth difference amplifier for cost-sensitive applications. The INA597 consists of a precision operational amplifier (op amp) and a precision resistor network. Excellent tracking of resistors maintains gain accuracy and common-mode rejection over temperature. Unique features such as low offset (200µV, maximum), low offset drift (5µV/°C maximum), high slew rate (18V/µs), and high capacitive load drive of up to 500pF make the INA597 a robust, high-performance difference amplifier for high-voltage industrial applications.The common-mode range of the internal op amp extends to the negative supply and enables the device to operate in single-supply applications. The device operates on single (4.5V to 36V) or dual supplies (±2.25V to ±18V). The difference amplifier is the foundation of many commonly used circuits. The Texas Instruments INA597 provides this circuit function without using an expensive precision resistor network.
Features
- 200µV (maximum) low offset voltage
- ±5µV/°C (maximum) low offset voltage drift
- 18nV/√Hz at 1kHz low noise
- ±0.03% (maximum) low gain error
- 88dB (minimum) high common-mode rejection
- 2MHz GBW wide bandwidth
- 1.1mA per amplifier low quiescent current
- 18V/µs high slew rate
- 500pF high capacitive load drive capability
- Wide supply range
- 4.5V to 36V single-supply
- ±2.25V to ±18V dual-supply
- –40°C to +125°C specified temperature range
- 8-Pin SOIC and VSSOP packages
Applications
- Data acquisition (DAQ)
- Sensor modules and tags for asset tracking
- Flow transmitter
- Optical module
- Power supply module
- AC drive position feedback
- Servo drive position feedback
- Voltage conditioning module
Functional Block Diagram
Published: 2021-03-16
| Updated: 2022-03-11
