Texas Instruments INAx191 Current Sense Amplifier
Texas Instruments INAx191 Current Sense Amplifier is a low-power, voltage-output, current-shunt monitor (also called a current-sense amplifier). This amplifier is commonly used for overcurrent protection, precision-current measurement for system optimization, or closed-loop feedback circuits. It can sense drops across shunts at common-mode voltages from –0.2V to +40V, independent of the supply voltage. The low input bias current of the INAx191 permits the use of larger current-sense resistors and thus provides accurate current measurements in the µA range. Five fixed gains are available: 25V/V, 50V/V, 100V/V, 200V/V, or 500V/V. The zero-drift architecture's low offset voltage extends the current measurement's dynamic range. This feature also allows for smaller sense resistors with lower power loss while providing accurate current measurements.The Texas Instruments INAx191 operates from a single 1.7V to 5.5V power supply, drawing a maximum of 65µA supply current when enabled and only 100nA when disabled. The device is specified over the operating temperature range of –40°C to +125°C and offered in a DSBGA-6 or DSBGA-12 package.
Features
- Low power
- Low supply voltage, VS: 1.7V to 5.5V
- Low shutdown current: 100nA (max.)
- Low quiescent current: 43µA at 25°C (typ.)
- Low input bias currents: 100pA (typ.) (enables microamp current measurement)
- Accuracy
- ±0.25% max gain error (A2 to A5 devices)
- 7ppm/°C gain drift (max.)
- ±12µV (max.) offset voltage
- 0.13µV/°C offset drift (max.)
- Wide common-mode voltage: –0.2V to +40V
- Gain options
- INAx191A1: 25V/V
- INAx191A2: 50V/V
- INAx191A3: 100V/V
- INAx191A4: 200V/V
- INAx191A5: 500V/V
- Package
- INA191 - 0.895mm2 DSBGA-6
- INA2191 - 1.79mm2 DSBGA-12
Applications
- Notebook computers
- Cell phones
- Battery-powered devices
- Telecom equipment
- Power management
- Battery chargers
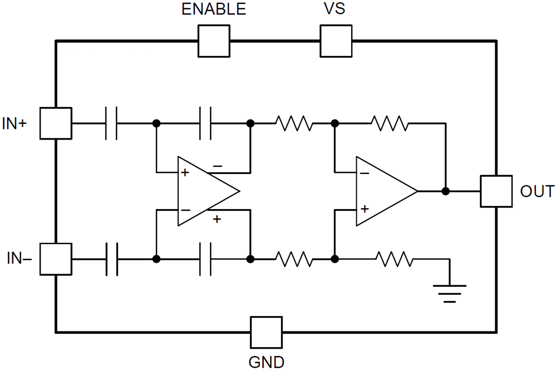
Functional Block Diagram
Published: 2019-04-29
| Updated: 2024-10-30
