Texas Instruments ESDS552 Bi-Directional ESD/Surge Protection Diode

Texas Instruments ESDS552 Bi-Directional ESD/Surge Protection Diode is for RS-485 and RS-422 interface protection. The ESDS552 is rated to dissipate ESD strikes beyond the maximum level specified in the IEC 61000-4-2 international standard (±30kV contact, ±30kV air gap). The device can clamp 8/20µs surges with peak pulse currents up to 25A in accordance with the IEC 61000-4-5 standard.

The low clamping voltage and low dynamic resistance help protect systems against transient events. This protection is critical because industrial systems require a high level of robustness and reliability. The Texas Instruments ESDS552 is available in a small leaded SOT-23 (DBZ) package.

Features

  • IEC 61000-4-5 surge protection
    • 25A (8/20µs)
  • IEC 61000-4-2 ESD protection
    • ±30kV contact discharge
    • ±30kV air gap discharge
  • 12V working voltage
  • Bidirectional polarity to support positive and negative voltage swings
  • Two-channel device provides complete ESD/Surge protection with a single component
  • Small, leaded SOT-23 allows low-cost automatic optical inspection (AOI)

Applications

  • End equipment
    • Factory automation and control
    • Building automation
    • Grid infrastructure
    • HVAC systems
    • Security systems
  • Interfaces
    • RS-485
    • RS-422

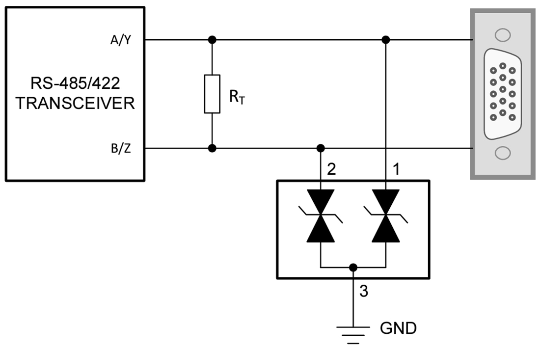
Typical Application Schematic

Schematic - Texas Instruments ESDS552 Bi-Directional ESD/Surge Protection Diode
Published: 2024-04-17 | Updated: 2024-04-23