Texas Instruments DS160PT801 8-Lane (16-Channel) Retimers

Texas Instruments DS160PT801 8-Lane (16-Channel) Retimers are high-performance PCI-Express protocol-aware retimers that support PCIe data rates up to 16GT/s. The 8 lanes can be bifurcated into two x4 links to support different system topologies. These retimers also support common clocks and separate reference clocks without Spread Spectrum Clocking (SSC) and reference clocks with SSC. The DS160PT801 retimers are configurable through the SMBus, and the initial configuration can be loaded from the external EEPROM. These retimers are compatible with the standard 1mm BGA PCB manufacturing and come in a small 8.50mm x 13.40mm BGA package.

The DS160PT801 retimers feature diagnostic capabilities, including receiver loopback, encoding error detection, on-die temperature sensor, and out-of-band non-destructive horizontal or vertical eye margin monitor. These retimers are used in rack servers, hardware accelerators, high-performance computing, and tower servers.

Features

  • Supports up to 16GT/s PCle data rates
  • Inter-Chip Communication (ICC) enables dual chip link width scaling to form 16-lane Gen-4 retimer
  • Supports common clock, separate reference clock with no Spread Spectrum Clocking (SSC)
  • Supports separate reference clock with SSC
  • Supports 2 x4 bifurcation
  • On-chip Eye Opening Monitor (EOM) and PCIe receive margining capability
  • Adaptive receive CTLE and DFE supporting maximum PCIe Gen-4 channel loss
  • Supports equalization training
  • I2C configuration (up to 1MHz) through the external EEPROM or I2C controller
  • Low-latency architecture
  • Small 8.50mm x 13.40mm BGA package
  • Compatible with standard 1mm BGA PCB manufacturing
  • 1.17V and 1.8V dual power supply
  • -40°C to 85°C industrial temperature range

Applications

  • Rack servers
  • Hardware accelerators
  • High-performance computing
  • Tower servers

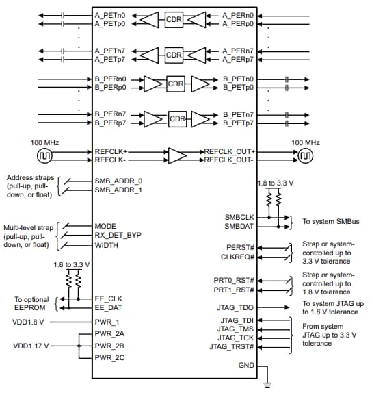
Schematic Diagram

Schematic - Texas Instruments DS160PT801 8-Lane (16-Channel) Retimers
Published: 2024-04-17 | Updated: 2024-06-28