Texas Instruments CD74AC151 8-Input Data Selector/Multiplexer

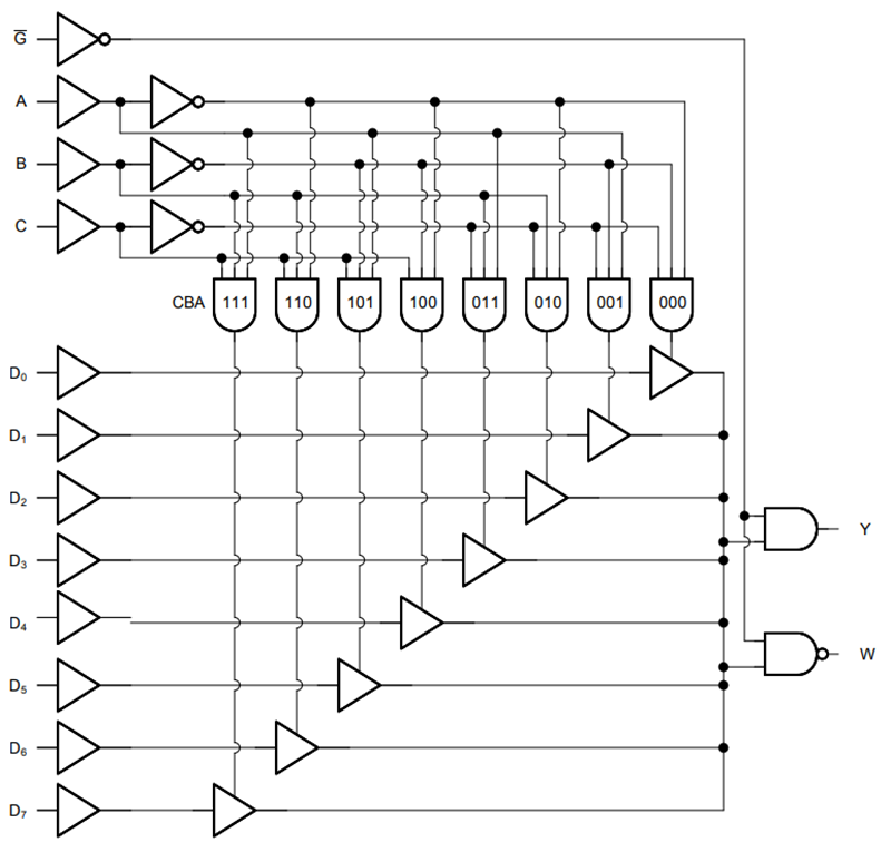
Texas Instruments CD74AC151 8-Input Data Selector/Multiplexer provides full binary decoding to select one of eight data sources. To enable the inputs, the strobe (G) input must be at a low logic level. A high level at the strobe terminal forces the W output to be high and the Y output to be low. The Texas Instruments CD74AC151 has a balanced noise immunity at 30% of the supply voltage and a 1.5V to 5.5V operating range.

Features

  • AC types feature 1.5V to 5.5V operation and balanced noise immunity at 30% of the supply voltage
  • 8-line to 1-line multiplexers can perform as
    • Boolean function generators
    • Parallel-to-serial converters
    • Data source selectors
  • Speed of bipolar F, AS, and S, with significantly reduced power consumption and balanced propagation delays
  • ±24mA output drive current with fanout to 15 F devices
  • SCR-latch-up-resistant CMOS process and circuit design

Applications

  • Data routing and selection
  • Arithmetic and Logic Units (ALUs)
  • Test and measurement equipment
  • Signal multiplexing in communication systems
  • Control systems
  • General-purpose logic design

Logic Diagram (Positive Logic)

Block Diagram - Texas Instruments CD74AC151 8-Input Data Selector/Multiplexer
Published: 2025-07-07 | Updated: 2025-07-17