Texas Instruments CC3235MODx SimpleLink Wireless MCU Module

Texas Instruments CC3235MODx SimpleLink Dual-Band Wireless MCU Module is a fully programmable FCC, ISED/IC, ETSI/CE, and MIC Certified wireless microcontroller (MCU) module with built-in dual-band Wi-Fi® connectivity. The modules integrate the 40MHz crystal, 32.768kHz RTC clock, 32Mb SPI serial Flash, RF filters, diplexer, and passive components. The SimpleLink™ CC3235MODx module family has two module variants (CC3235MOS and CC3235MODSF). The CC3235MODS includes 256KB of RAM, IoT networking security, and device identity/keys. The device also has MCU-level security features such as file system encryption, user IP (MCU image) encryption, and secure boot and debug security. The CC3235MODSF builds on the CC3235MODS and integrates a user-dedicated 1MB of executable flash and 256KB of RAM.

Created for IoT, the Texas Instruments SimpleLink™ Wi-Fi® CC3235MODx module family is a wireless module that integrates two physically separated on-chip MCUs. It includes an application processor—Arm® Cortex®-M4 MCU with a user-dedicated 256KB of RAM and an optional 1MB of executable flash. It also has a network processor to run all Wi-Fi® and Internet logical layers. This ROM-based subsystem completely offloads the host MCU and includes an 802.11 a/b/g/n dual-band 2.4GHz and 5GHz radio, baseband, and MAC with a powerful hardware cryptography engine.

Features

  • Fully integrated and green/RoHS modules include all required clocks, SPI Flash, and passives
  • 802.11 a/b/g/n: 2.4GHz and 5GHz
  • FCC, IC/ISED, ETSI/CE, and MIC Certified
  • FIPS 140-2 Level 1 Validated IC Inside
  • Multilayered security features help developers protect identities, data, and software IP
  • Low-power modes for battery powered application
  • Coexistence with 2.4GHz radios
  • –40°C to +85°C industrial temperature 
  • CC3235MODx multiple-core architecture, system-on-chip (SoC)
  • 1.27mm pitch QFM package for easy assembly and low-cost PCB design
  • Transferrable Wi-Fi Alliance® Certification
  • Application microcontroller subsystem
    • Arm Cortex-M4 core at 80MHz
    • User-dedicated memory
      • 256KB RAM
      • Optional 1MB executable Flash
    • Rich set of peripherals and timers
      • McASP supports two I2S channels
      • SD, SPI, I2C, UART
      • 8-bit synchronous imager interface
      • 4-Channel 12-bit ADCs
      • Four General-Purpose Timers (GPT) with 16-bit PWM mode
      • Watchdog timer
      • Up to 27 GPIO Pins
      • Debug interfaces of JTAG, cJTAG, SWD
  • Wi-Fi network processor subsystem
    • Wi-Fi core
      • 802.11 a/b/g/n 2.4GHz and 5GHz
      • Modes
        • Access Point (AP)
        • Station (STA)
        • Wi-Fi Direct® (only supported on 2.4GHz)
      • Security
        • WEP
        • WPA™/WPA2™ PSK
        • WPA2 Enterprise
    • Internet and application protocols
      • HTTPs server, mDNS, DNS-SD, DHCP
      • IPv4 and IPv6 TCP/IP stack
      • 16 BSD sockets (fully secured TLS v1.2 and SSL 3.0)
    • Built-in power management subsystem
      • Configurable low-power profiles (always on, intermittently connected, tag)
      • Advanced low-power modes
      • Integrated DC/DC regulators
  • Multilayered security features
    • Separate execution environments
    • Networking security
    • Device identity and key
    • Hardware accelerator cryptographic engines (AES, DES, SHA/MD5, CRC)
    • File system security (encryption, authentication, access control)
    • Initial secure programming
    • Software tamper detection
    • Secure boot
    • Certificate signing request (CSR)
    • Unique per device key pair
  • Application throughput
    • UDP: 16Mbps
    • TCP: 13Mbps
  • Power-Management Subsystem
    • Integrated DC/DC converters support a wide range of supply voltage
      • Single wide-voltage supply, VBAT: 2.3V to 3.6V
    • Advanced low-power modes
      • Shutdown: 1µA, Hibernate: 5.5µA
      • Low-power deep sleep (LPDS): 120µA
      • Idle connected (MCU in LPDS): 710µA
      • RX traffic (MCU active): 59mA
      • TX traffic (MCU active): 223mA
    • Wi-Fi TX power
      • 2.4GHz: 16dBm at 1 DSSS
      • 5GHz: 15.1dBm at 6 OFDM
    • Wi-Fi RX sensitivity
      • 2.4GHz: –94.5dBm at 1 DSSS
      • 5GHz: –89dBm at 6 OFDM
  • Additional integrated components
    • 40.0MHz crystal
    • 32.768kHz crystal (RTC)
    • 32Mbit SPI serial Flash
    • RF filters, diplexer, and passive components
  • Footprint-compatible QFM package
    • CC3235MODx: 1.27mm pitch, 63-pin, 20.5mm×17.5mm
  • The module supports SimpleLink developer’s ecosystem

Applications

  • For Internet of Things applications, such as
    • Medical and healthcare
      • Multiparameter patient monitor
      • Electrocardiogram (ECG)
      • Electronic hospital bed and bed control
      • Telehealth systems
    • Building and home automation
      • HVAC systems and thermostats
      • Video surveillance, video doorbells, and low-power camera
      • Building security systems and E-locks
    • Appliances
    • Asset tracking
    • Factory automation
    • Grid infrastructure

Videos

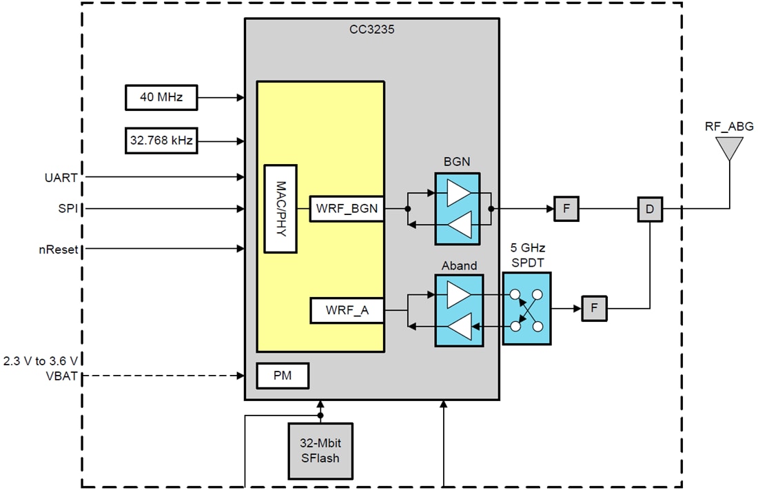
Functional Block Diagram

Block Diagram - Texas Instruments CC3235MODx SimpleLink Wireless MCU Module
Published: 2019-09-10 | Updated: 2023-11-06