Texas Instruments BP-DAC81402EVM & BP-DAC61404EVM Evaluation Modules

Texas Instruments BP-DAC81402EVM and BP-DAC61404EVM Evaluation Modules are easy-to-use platforms designed for the DACx140x. The 16-bit DAC81404 (quad-channel) and 12-bit DAC61402 (dual channel) (DACx140x) are pin-compatible families of buffered output (up to ±20V) digital-to-analog converters (DACs) with integrated 2.5V internal reference.

The TI BP-DAC81402EVM and BP-DAC61404EVM Evaluation Modules provide the GPIO and SPI programming interface using a PC-based graphical user interface (GUI). The BP-DAC81402EVM and BP-DAC61404EVM require the MSP-EXP432E401Y LaunchPad™ for interfacing with the PC-based GUI.

Features

  • 1-LSB integral nonlinearity/differential nonlinearity (INL/DNL) at 16 bits linearity
  • Internal reference
  • Serial peripheral interface (SPI)
  • ±0.05% FSR Total unadjusted error (TUE)
  • 5V, 10V, 20V, 40V, ±5V, ±10V, or ±20V Output ranges

Kit Contents

  • DAC61402EVM
    • BP-DAC61402EVM BoosterPack

Overview

Texas Instruments BP-DAC81402EVM & BP-DAC61404EVM Evaluation Modules

Hardware Setup

Texas Instruments BP-DAC81402EVM & BP-DAC61404EVM Evaluation Modules

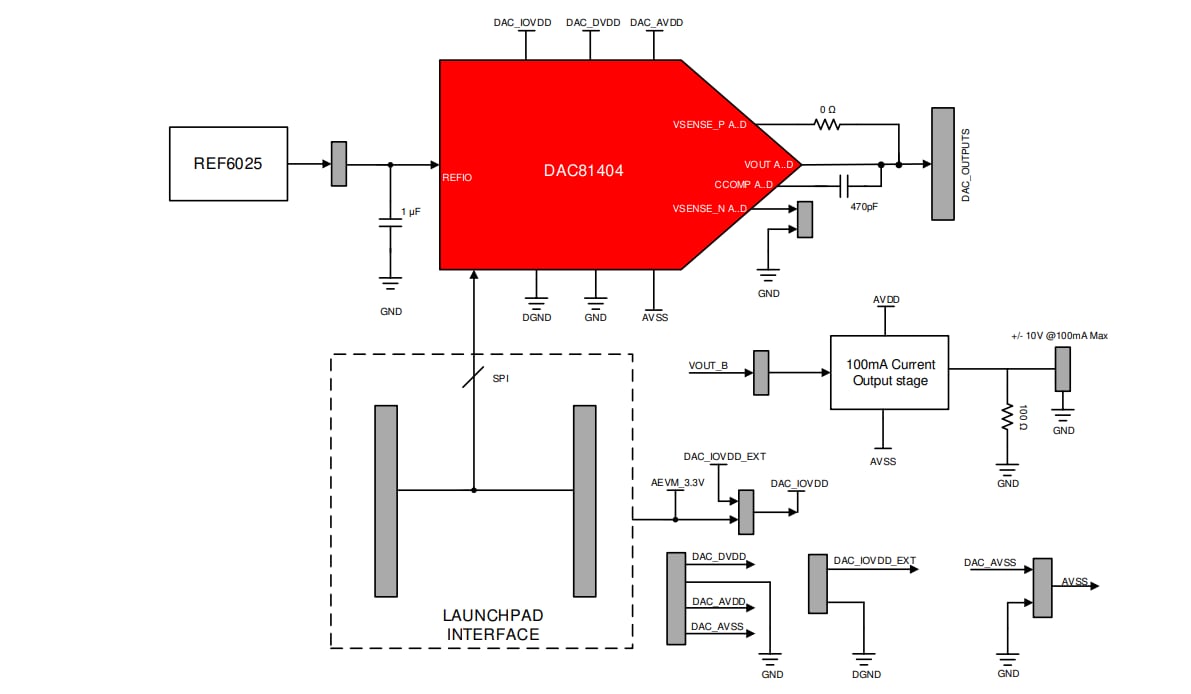
Hardware Block Diagram

Block Diagram - Texas Instruments BP-DAC81402EVM & BP-DAC61404EVM Evaluation Modules
Published: 2020-10-21 | Updated: 2024-09-05