Texas Instruments AMC1411/AMC1411-Q1 Reinforced Isolated Amplifiers
Texas Instruments AMC1411/AMC1411-Q1 High-Impedance Reinforced Isolated Amplifiers come with an output separated from the input circuitry by a capacitive isolation barrier that is highly resistant to magnetic interference. This barrier is certified to provide reinforced galvanic isolation of up to 7.5kVRMS according to VDE V 0884-11 and UL1577. The devices support a working voltage of up to 1600VRMS. The isolation barrier separates parts of the system that operate on different common-mode voltage levels and protects the low-voltage side from voltages that can cause electrical damage or harm to an operator.The high-impedance input of the AMC1411/AMC1411-Q1 is optimized for connection to high-impedance resistive dividers or other high-impedance voltage signal sources. The excellent DC accuracy and low temperature-drift support accurate, isolated voltage sensing in onboard chargers (OBC), DC/DC converters, traction inverters, or other applications that must operate at high common-mode voltages, high altitudes, or in environments with high pollution degrees.
The AMC1411/AMC1411-Q1 is offered in a stretched 8-pin SOIC package and supports the temperature range from –40°C to +125°C. The AMC1411-Q1 is AEC-Q100 qualified for automotive applications.
Features
- AEC-Q100 qualified for automotive applications
- –40°C to +125°C, TA temperature grade 1
- Functional Safety-Capable
- Documentation available to aid functional safety system design
- 2V, high-impedance input voltage range optimized for isolated voltage measurements
- 1.0V/V fixed gain
- Low DC errors
- Offset error ±1.5mV (max)
- Offset drift: ±10µV/°C (max)
- Gain error: ±0.2% (max)
- Gain drift: ±30ppm/°C (max)
- Nonlinearity 0.04% (max)
- 3.3V or 5V operation on high-side and low-side
- Missing high-side supply detection feature
- 100kV/µs (min) high CMTI
- ≥15.7mm creepage, stretched SOIC package
- Reinforced isolation
- 10600VPK reinforced isolation per DIN VDE V 0884-11: 2017-01
- 7500VRMS isolation for 1 minute per UL1577
Applications
- Isolated voltage sensing in
- Traction inverters
- Onboard chargers
- DC/DC converters
- HEV/EV DC charger
AMC1411-Q1 Functional Block Diagram
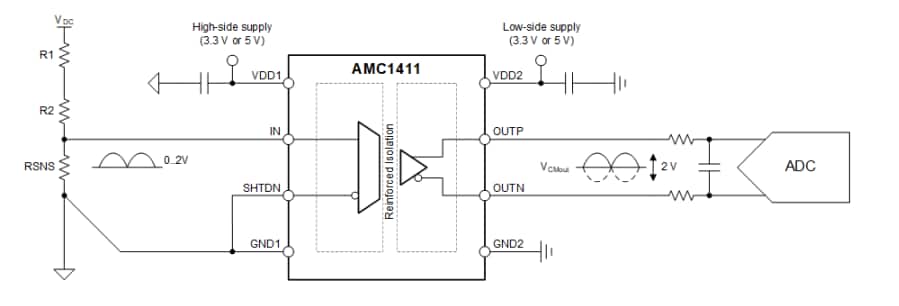
AMC1411 Typical Aplication
Additional Resources
Published: 2022-01-18
| Updated: 2022-03-14
