Texas Instruments AFE44I3x Ultra-Low-Power Analog Front End (AFE)
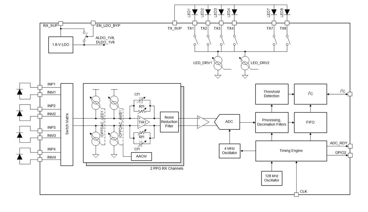
Texas Instruments AFE44I3x Ultra-Low-Power Integrated Analog Front End is designed for optical bio-sensing applications, such as heart-rate monitoring (HRM) and peripheral capillary oxygen saturation (SpO2). The AFE44I3x supports up to six switching light-emitting diodes (LEDs) and up to four photodiodes. Up to 24 signal phases can be defined, and the signal can be acquired from each phase in a synchronized manner. The current from the photodiode is converted into a voltage by the transimpedance amplifier (TIA) and digitized using an analog-to-digital converter (ADC). The ADC code can be stored in a 128-sample First-In, First-Out (FIFO) block. The FIFO can be read out using an I2C interface.The Texas Instruments AFE44I3x includes a fully-integrated LED driver with an 8-bit current control. The device features a high dynamic range transmit-and-receive circuitry that helps with sensing of very small signal levels.
Features
- Accurate, continuous heart-rate monitoring
- System SNR up to 108dB at 16µA PD current
- Low current for continuous operation on a wearable device with a typical value (15µA for an LED, 20µA for the receiver)
- Transmitter
- Supports common anode LED configuration
- 8-bit programmable LED current with a range adjustable from 25mA to 250mA
- Mode to fire two LEDs in parallel with independent per-phase current control
- Programmable LED on-time per-phase
- Simultaneous support of 6 LEDs for SpO2, HRM, or multi-wavelength HRM
- Receiver
- Supports four time-multiplexed photodiode inputs
- Two parallel receivers (two sets of TIA/filter)
- Individual ambient offset subtraction DAC at each TIA Input with 8-bit per-phase control and range adjustable up to 255µA
- Individual LED offset subtraction DAC at each TIA input with 5-bit per-phase control and 15.5µA range
- Close to 100dB ambient rejection up to 10Hz
- Noise filtering with programmable bandwidth
- 3.7kΩ to 1MΩ transimpedance gain
- Supports signal acquisition of up to 24 phases
- Flexible allocation of 6 LED, 4 PD in each phase
- Simultaneous signal acquisition from different sensors at different data rates
- Supports external clock and internal oscillator modes
- Option to acquire data synchronized with a system master clock
- Automatic cancellation of DC from ambient, LED
- FIFO with 128-sample depth
- I2C interface
- 2.6mm × 2.1mm DSBGA, 0.4mm pitch
- Supplies: Rx: 1.7V-1.9V (LDO bypass); 1.9V-3.6V (LDO enabled), Tx: 3V-5.5V, IO: 1.7V-3.6V
Applications
- Optical heart-rate monitoring (HRM) for wearables, hearables
- Heart-rate variability (HRV)
- Pulse oximetry (SpO2) measurements
Block Diagram
Published: 2020-04-13
| Updated: 2024-06-04
