Susumu ATS2012 High Frequency Chip Attenuators

Susumu ATS2012 High Frequency Chip Attenuators are thin film, surface-mounted attenuators in the miniature 2012 (metric) / 0805 (imperial) chip size. These devices feature a frequency range of DC to 30GHz, and offer an attenuation range of 0dB to 10dB. Susumu ATS2012 Attenuators are available with a broad range of circuit and pin arrangements, as well as an internal circuit option which is specially designed for 0dB to 10dB attenuation. 

Features

  • 0dB to 10dB attenuation range
  • Internal circuit specially designed for 0-10dB attenuation
  • Attenuation tolerance
    • ±0.5dB (0GHz to 20GHz) 
    • ±0.75dB (20GHz to 30GHz)
  • VSWR (voltage standing wave ratio)
    • ≦1.5 (0GHz to 20GHz)
    • ≦1.7 (20GHz to 30GHz)
  • 50Ω impedance
  • DC to 30GHz operating frequency
  • 100mW rated power
  • -55°C to +125°C operating temperature range
  • Miniature surface mount chip attenuator 2012 (metric) / 0805 (imperial)
  • 2.0mm × 1.25mm dimensions
  • Signal line sandwiched by ground – excellent heat dissipation and low noise
  • Lead-free, halogen-free, and RoHS compliant

Applications

  • Wireless communication devices and base stations
  • Wireless communication modules

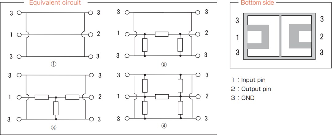
Equivalent Circuit

Schematic - Susumu ATS2012 High Frequency Chip Attenuators

Package Dimensions

Mechanical Drawing - Susumu ATS2012 High Frequency Chip Attenuators
Published: 2019-11-13 | Updated: 2024-01-04