STMicroelectronics L99MH98 Automotive Octal Half-Bridge Pre-Driver
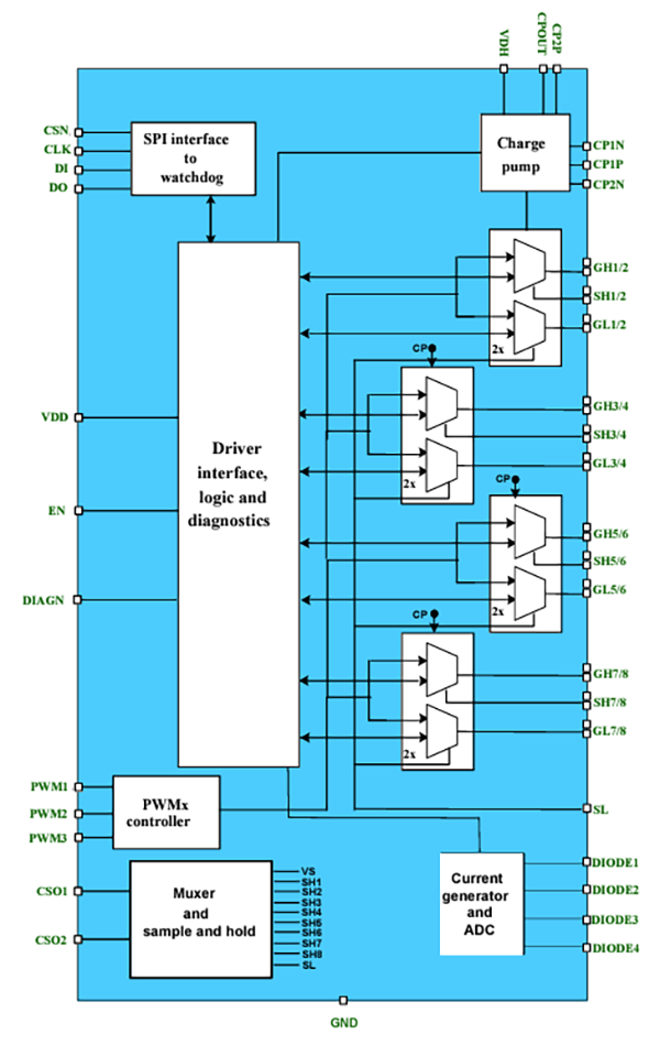
STMicroelectronics L99MH98 Automotive Octal Half-Bridge Pre-Driver controls up to 16 N-channel MOSFETs and is intended for DC motor control applications such as automotive power seat control. The STMicroelectronics L99MH98 is hosted in a VFQFPN48L package with an exposed pad. This package also features wettable flanks for easy visual inspection of the solder joint. A 24-bit serial peripheral interface (SPI) configures and controls eight half-bridges or four H-bridges. The SPI status registers provide high-level diagnostic information such as supply voltage monitoring, charge pump voltage monitoring, temperature warning, and overtemperature shutdown. Each gate driver independently monitors the external MOSFET drain-source voltage for fault conditions.The STMicroelectronics L99MH98 supports indirect current measurement on external MOSFETs, allowing cost savings and lower system complexity, avoiding the usage of shunt resistors. A more efficient gate current control of the external MOSFETs, called “three-stage gate current,” decreases and optimizes electromagnetic interference (EMI). Protection features (drain-source monitoring for short circuit detection, overtemperature warning/shutdown, timeout watchdog for MCU control, and detailed off-state diagnostic via SPI) ensure the ASIL-B achievement according to ISO 26262 standard.
Features
- AEC-Q100 qualified
- ISO26262 compliant, covering ASIL-B safety integrity level
- Octal half-bridge, or quad H-bridge, pre-driver
- Independent channel driver, up to 8x high-side or 8x low-side
- Driving logic permits any H-bridge configuration - pairing different half-bridges, using the internal gate drivers (GHx/SHx/GLx can be associated with any GHy/SHy/GLy)
- Supports logic level and standard level MOSFETs
- Control of reverse battery protection MOSFET
- Fully configurable half-bridge driver in case of fault occurrence
- Generator mode for power trunk/tailgate applications
- Supports indirect current measurement of external MOSFETs
- SPI configurable overvoltage threshold
- Adaptive MOSFET gate control
- Three-step gate control of external HS/LS
- Improved electromagnetic emission
- Programmable gate current up to 120mA
- Reduced switching losses in PWM mode
- VDS monitoring
- Low IQ (1.05μA) in reset mode
- High-side and low-side capable of protection and diagnosis
- 4x external diode control, needed for assisting calibration of indirect current measurement, can be used for steady-temperature monitoring
- Drain-source monitoring for short-circuit detection
- Overtemperature warning and shutdown
- Timeout watchdog for MCU control
- Detailed off-state diagnostics (open load, short circuit-to-battery, or short circuit-to-GND) via SPI
- 3x PWM inputs
- High-side and low-side PWM capable
- Active freewheeling
- Up to 50kHz PWM frequency
- Out-of-frame serial peripheral interface (SPI), 24-bit
- QFN package with wettable flanks, 7mm x 7mm x 0.9mm
- -40°C to +150°C operating temperature range
- RoHS-compliant, Green product
Applications
- Seat control
- Steering column and gas pedal adjustment
- Sunroofs, sliding doors, window lifts, seat-belt pre-tensioners, cargo covers, and washer pumps
- Engine vibration compensation systems
- Power lift gates
- Central door locks
Block Diagram
Published: 2024-09-24
| Updated: 2024-10-04
