STMicroelectronics SPIRIT1 RF Transceiver
STMicroelectronics SPIRIT1 RF Transceiver is a low-power RF transceiver intended for RF wireless applications in the sub-1GHz band. The SPIRIT1 is designed to operate both in the license-free ISM and SRD frequency bands at 169MHz, 315MHz, 433MHz, 868MHz, and 915MHz. It can also be programmed to operate at additional frequencies in the 300MHz to 348MHz, 387MHz to 470MHz, and 779MHz to 956MHz bands. The air data rate is programmable from 1kbps to 500kbps. This device can be used in systems with channel spacing of 12.5kHz/25kHz, complying with the EN 300 220 standard. STMicroelectronics SPIRIT1 RF Transceiver supports an embedded CSMA/CA engine. An AES 128-bit encryption co-processor is available for secure data transfer. The SPIRIT1 fully supports antenna diversity with an integrated antenna switching control algorithm.Features
- Frequency bands: 150MHz to 174MHz, 300MHz to 348MHz, 387MHz to 470MHz, 779MHz to 956MHz
- Modulation schemes: 2-FSK, GFSK, MSK, GMSK, OOK, and ASK
- Air data rate from 1kbps to 500kbps
- Low power consumption (9mA RX and 21mA TX at +11dBm)
- Programmable RX digital filter from 6kHz to 800kHz
- Programmable channel spacing (12.5kHz min.)
- Excellent performance of receiver sensitivity (-120dBm), selectivity, and blocking
- Programmable output power up to +11dBm
- Fast startup and frequency synthesizer settling time (6μs)
- Frequency offset compensation
- Integrated temperature sensor
- Battery indicator and low battery detector
- RX and TX FIFO buffer (96 bytes each)
- Configurability via SPI interface
- AES 128-bit encryption co-processor
- Antenna diversity algorithm
- Automatic acknowledgment, retransmission, and time-out protocol engine
- Fully integrated ultra-low power RC oscillator
- Wake-up on internal timer and wake-up on external event
- Flexible packet length with dynamic payload length
- Sync word detection
- Address check
- Automatic CRC handling
- FEC with interleaving
- Digital RSSI output
- Programmable carrier sense (CS) indicator
- Automatic clear channel assessment (CCA) before transmitting (for listen-before-talk systems). Embedded CSMA/CA protocol
- Programmable preamble quality indicator (PQI)
- Link quality indication (LQI)
- Whitening and de-whitening of data
- Wireless M-BUS, EN 300 220, FCC CFR47 15 (15.205, 15.209, 15.231, 15.247, 15.249), and ARIB STD T-67, T93, T-108 compliant
Applications
- AMR (automatic meter reading)
- Home and building automation
- WSN (wireless sensors network)
- Industrial monitoring and control
- Wireless fire and security alarm systems
- Point-to-point wireless link
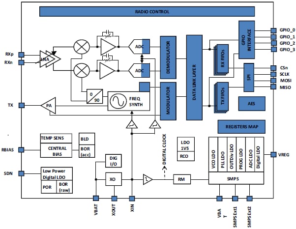
Block Diagram
Suggested Application Diagram
Published: 2012-05-18
| Updated: 2022-03-11
