STMicroelectronics LDH40 200mA Low Dropout LDO
STMicroelectronics LDH40 200mA Low Dropout LDO is developed to be directly connected to a car battery in automotive applications or to a generic battery in industrial applications. The LDH40 offers an extended input voltage of up to 40V to support a load dump transient in automotive systems. The device's ultra-low quiescent current featured at light load increases the battery operation lifetime in always-on-standby systems.The STMicro LDH40 is stabilized with a small ceramic capacitor on the input and output. An enable logic control function puts the LDH40 in shutdown mode, permitting a total current consumption lower than 0.3µA. Thermal protection is also included. The device is offered in an automotive grade, tiny footprint DFN package with a wettable flank. The footprint saves maximum space in the printed circuit board (PCB) design and automated optical inspection (AOI).
Features
- AEC-Q100 grade 1 qualified
- Operating temperature range of -40°C <TJ <+150°C
- Input voltage from 3.3V to 40V
- Dropout voltage (700mV typ. at 200mA load)
- Low ground current (2μA typ. at no load)
- ADJ from 1.2V to 22V
- Output voltage tolerance of 0.5% at 25°C
- 200mA guaranteed output current
- Power Good
- Logic-controlled electronic shutdown
- Internal current limit
- Thermal shutdown
- Output active discharge function
- Packages
- DFN 2 x 2 6L WF for automotive grade
- SOT23 5L and DFN 6L for industrial
Applications
- EV powertrain
- Body control modules
- Always-on battery-connected application
- Infotainment and instrument cluster
- ADAS
Block Diagram
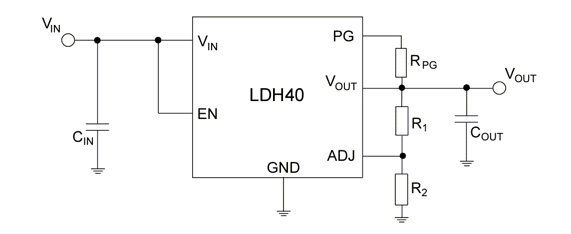
Typical application circuit
Published: 2024-03-11
| Updated: 2025-04-18
