STMicroelectronics USBLC6-4SC6Y ESD Suppressor
STMicroelectronics USBLC6-4SC6Y ESD Suppressor is a monolithic device dedicated to ESD protection of high speed interfaces. These interfaces include USB 2.0, Ethernet links and video lines. The supressor's very low line capacitance secures a high level of signal integrity. The USBLC6-4SC6Y achieves this integrity without compromising in protecting sensitive chips against ESD strikes.Features
- 4 data-line protection
- Protects VBUS
- 3pF Very low capacitance
- 10nA Very low leakage current
- SOT23-6L package
- RoHS compliant
- AEC Q101 qualified
Applications
- USB 2.0 ports up to 480Mb/s (high speed)
- Compatible with USB 1.1 low and full speed
- High-speed data lines in smart junction boxes
- Ethernet port: 10/100Mb/s
- Video line protection
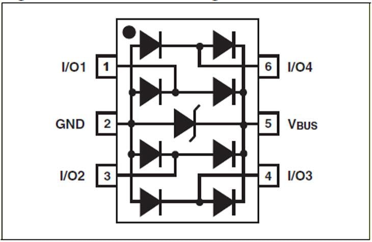
Functional Diagram
STEVAL-OET003V1 Evaluation Board
STMicroelectronics STEVAL-OET003V1 Evaluation Board is a demonstration tool to evaluate the robustness of ESD diodes developed for the automotive environment. The board is based on a master-slave structure on the same board using two STM8AF528.
View Product Detail
Published: 2016-10-18
| Updated: 2022-03-11
