STMicroelectronics STWA70N65DM6 N-Channel 650V 68A Power MOSFET

STMicroelectronics STWA70N65DM6 N-Channel 650V 68A Power MOSFET is a MDmesh DM6 fast-recovery diode in a TO-247 long lead package. STMicroelectronics STWA70N65DM6 combines very low recovery charge (Qrr), very low recovery time (trr), and excellent drain-source on resistance (RDS(on)) per area with highly effective switching behavior. This device is ideal for demanding high-efficiency bridge topologies and ZVS (Zero-Voltage Switching) phase-shift converters.

Features

  • Switching applications
  • Fast-recovery body diode
  • 36mΩ typical, 40mΩ maximum static drain-source on resistance (RDS(on))
  • Low gate charge, input capacitance, and resistance
  • ±25V gate-source voltage (VGS)
  • 100% avalanche tested
  • Extremely high dv/dt ruggedness
  • Zener-protected
  • -55°C to +150°C operating junction temperature range (TJ)
  • TO-247 long lead package type
  • REACH, RoHS, and EL compliant ECOPACK® package

Test Circuits

Application Circuit Diagram - STMicroelectronics STWA70N65DM6 N-Channel 650V 68A Power MOSFET

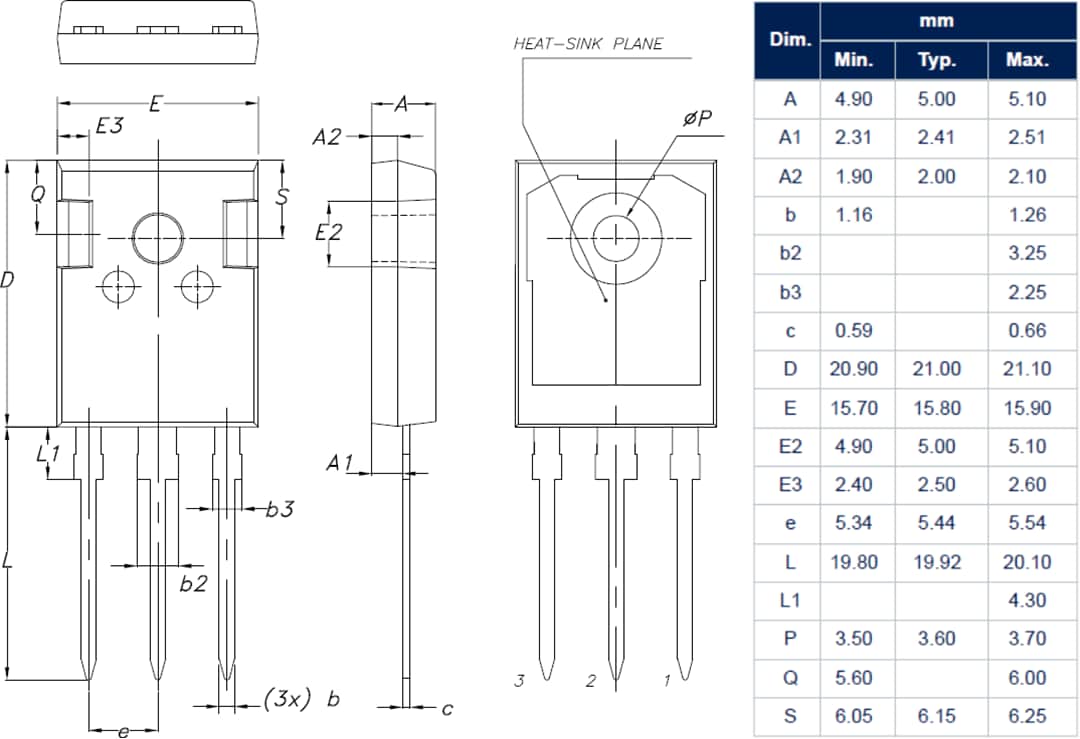
Package Outline & Dimensions

Mechanical Drawing - STMicroelectronics STWA70N65DM6 N-Channel 650V 68A Power MOSFET
Published: 2019-12-02 | Updated: 2024-02-22