STMicroelectronics STEVAL-3601CV1 Evaluation Board
STMicroelectronics STEVAL-3601CV1 Evaluation Board features the DCP3601CMR synchronous step-down converter to enhance peak current control and advanced design circuitry. This board demonstrates a smart converter design that delivers up to 1A output current from a 3.3V to 36V input range with a 5V output voltage. The STEVAL-3601CV1 evaluation board includes a 1MHz fixed switching frequency, peak current mode control, and internal compensation network. This evaluation board is WEEE and RoHS compliant. Typical applications include power conversion solutions in major appliances, smart metering, industrial 24VBUS conversion, and general-purpose wide Vin power supplies.
Features
- Features the DCP3601CMR miniaturized synchronous step-down converter
- 110µA input quiescent current
- 1MHz fixed switching frequency
- 3.3V to 36V input operating voltage range
- 5V output voltage
- Synchronous rectification
- Internal compensation network
- Peak current mode control
- Precision enable
- WEEE and RoHS-compliant
Applications
- Power conversion solutions in major appliances
- Smart metering
- Industrial 24VBUS conversion
- General-purpose wide Vin power supplies
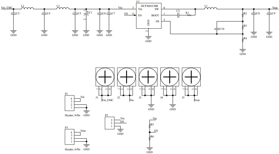
Schematic Diagram
Published: 2024-12-09
| Updated: 2026-03-17
