STMicroelectronics PWD13F60 Gate Drivers

STMicroelectronics PWD13F60 Gate Drivers are a high-density power driver and high-voltage full bridge with integrated gate drivers. The PWD13F60 device accepts a supply voltage over a wide range and is protected by low-voltage UVLO detection. These PWD13F60 gate drivers power system-in-package and high-voltage power MOSFETs have low RDS of 320mΩ and 600V drain-source breakdown voltage. The PWD13F60 gate drivers allow easy interfacing with microcontrollers and DSP units or hall effect sensors with an extended range of input pins. These PWD13F60 gate drivers also feature wide driver supply voltage, internal bootstrap diode, output in phase with inputs, flexible, easy, and fast design. STMicroelectronics PWD13F60 Gate Drivers are available in 10mm x 13mm x 1.0mm VFQFPN package. Typical applications include factory automation, motor drivers for industrial and home appliances, fans and pumps, and power supply units.

Features

  • Power system-in-package integrating gate drivers and high voltage power MOSFETs
    • Low RDS(on) = 320mΩ
    • BVDSS = 600V
  • Suitable for operating as
    • Full bridge
    • Dual independent half bridges
  • Wide driver supply voltage down to 6.5V 
  • UVLO protection on the supply voltage
  • 3.3V to 15V compatible inputs with hysteresis and pull-down
  • Interlocking function to prevent cross conduction
  • Internal bootstrap diode
  • Outputs in phase with inputs
  • Very compact and simplified layout
  • Flexible, easy, and fast design

Applications

  • Motor drivers for industrial and home appliances
  • Factory automation
  • Fans and pumps
  • HID and ballasts
  • Power supply units
  • DC-DC and DC-AC converters

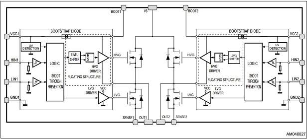
Block Diagram

Block Diagram - STMicroelectronics PWD13F60 Gate Drivers
Published: 2018-04-02 | Updated: 2023-02-01