STMicroelectronics L9963 Li-Ion Battery Monitoring & Protection IC
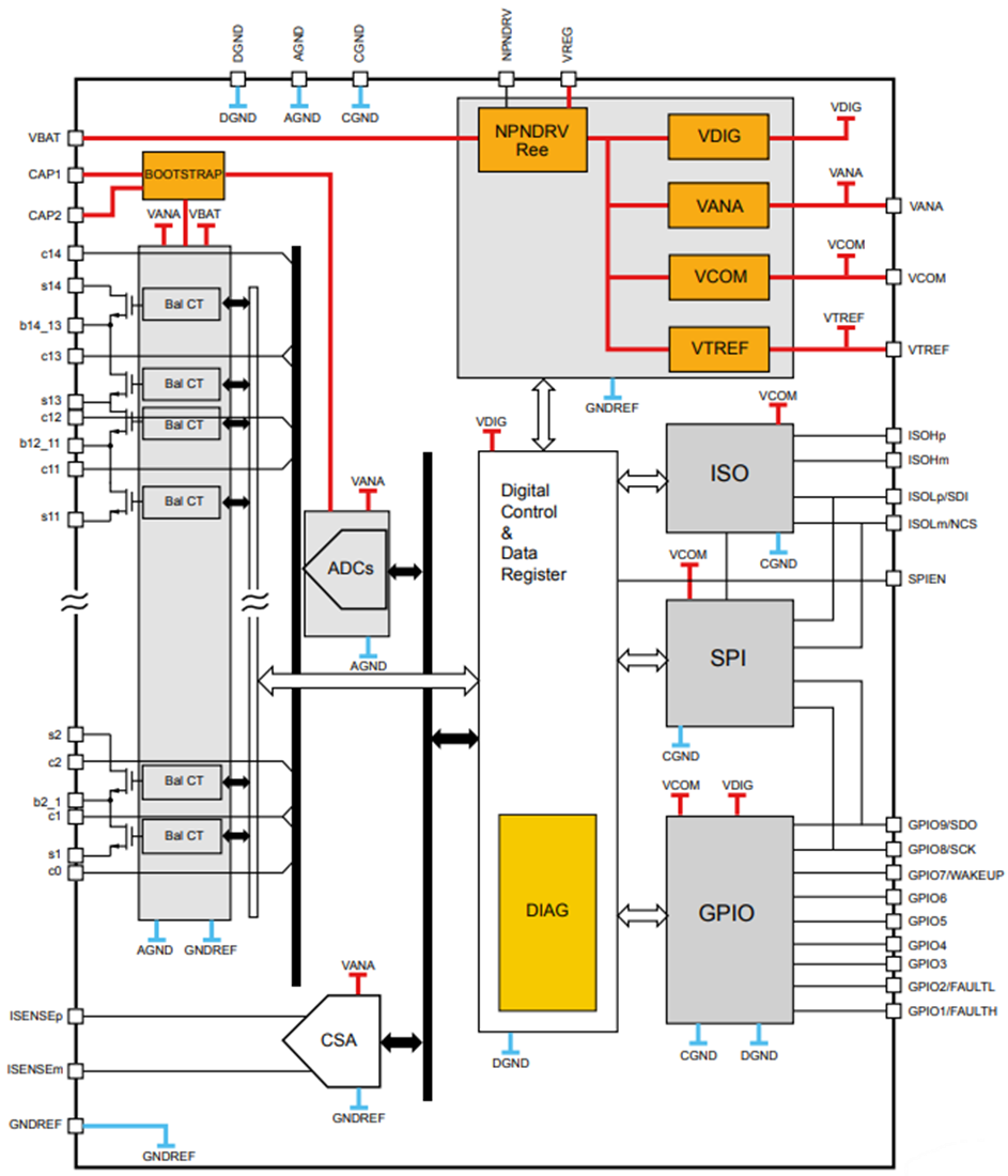
STMicroelectronics L9963 Li-Ion Battery Monitoring and Protection IC is for high-reliability automotive applications and energy storage systems. Up to 14 stacked battery cells can be monitored to meet the requirements of 48V and higher voltage systems. Each cell voltage and current for on-chip coulomb counting are accurately measured. The device can monitor up to 7 NTCs. The information is transmitted through SPI communication or an isolated interface. Multiple STMicroelectronics L9963 ICs can be connected in a daisy chain and communicate with one host processor via transformer-isolated interfaces featuring high-speed, low EMI, long-distance, and reliable data transmission.Passive balancing with programmable channel selection is offered in both normal and low power mode (silent balance). The balancing can be terminated automatically based on an internal timer interrupt. Nine GPIOs are integrated for external monitoring and controlling. The L9963 features a comprehensive set of fault detection and notification functions to meet the safety standard requirements.
Features
- Measures 4 to 14 cells in series, with 0 us desynchronization delay between samples - also supports busbar connection without altering cell results
- Coulomb counter supporting pack overcurrent detection in both ignition on and off states - fully synchronized current and voltage samples
- 16-bit voltage measurement with a maximum error of ±2mV in the 1.7V to 4.7V range in the whole operating temp range
- 2.66Mbps isolated serial communication with regenerative buffer, supporting dual access ring
- Less than 2µs latency between the start of conversion of the 1st and the 15th device in a chain
- Less than 4ms to convert and read 96 cells in a system using 8 L9963
- Supports both transformer and capacitive-based isolation
- 200mA passive internal balancing current for each cell in both normal and silent-balancing mode
- Possibility of executing cyclic wake-up measurements
- Manual/timed balancing on multiple channels simultaneously, internal/external balancing
- Fully redundant cell measurement path, with ADC Swap, for enhanced safety and limp home functionality
- Intelligent diagnostic routine providing automatic failure validation - redundant fault notification through both SPI Global Status Word (GSW) and dedicated FAULT line
- Two 5V regulators supporting external load connection with 25mA (VCOM) and 50mA (VTREF) current capability
- 9 GPIOs, with up to 7 analog inputs for NTC sensing
- Robust hot-plug performance - no Zeners needed in parallel to each cell
- Full ISO26262 compliant, ASIL-D systems ready
- TQFP64EP package
Applications
- 48V and high-voltage battery packs
- Backup energy storage systems and UPS
- E-bikes, e-scooters
- Portable and semi-portable equipment
Content Stream
Videos
Block Diagram
Published: 2019-11-26
| Updated: 2024-02-22
