Alliance Memory ASFCxG31MA-51BIN Embedded MultiMediaCards (e.MMCs)
Alliance Memory ASFCxG31MA-51BIN Embedded MultiMediaCards (e.MMCs) are managed NAND memory solutions with a flash controller and standard MLC NAND flash memory. These e.MMCs are designed for faster throughput, large data transfer, improved reliability, and minimal latency. The ASFCxG31MA-51BIN e.MMCs are backwards compatible with previous e.MMC specifications. These e.MMCs feature a configurable drive strength, data strobe pin, and enhanced data strobe. The ASFCxG31MA-51BIN e.MMCs are available in an 11.5mm x 13mm x 0.8mm 153-ball VFBGA package. These e.MMCs are ideal for consumer electronic devices, gaming consoles, set-top boxes, and industrial applications.
Features
- Partitioning, RPMB, and RPMB throughput improve
- HPI, BKOPS, and BKOP operation control
- Sanitize, discard, trim, and erase
- Lock/unlock
- Secure removal type
- Cache, cache barrier, and cache flushing report
- High-priority interrupt
- Configurable drive strength
- Write protect and secure write protection
- Hardware/software reset
- Heath monitoring
- PON and sleep/awake
- Packed CMD and CMD queuing
- Data strobe pin and improved data strobe
Applications
- Consumer electronic devices
- Gaming consoles
- Set-top boxes
- Industrial requirements
Specifications
- Data bus width:
- 1bit, 4bit, and 8bit in SDR mode
- 4bit and 8bit in DDR mode
- 4bit and 8bit HS200 mode
- 8bit in HS400 mode
- Clock frequency (52MHz and 200MHz):
- Up to 52MHz in SDR mode
- Up to 52MHz in DDR mode
- Up to 200MHz in HS200 mode
- Up to 200MHz in HS400 mode
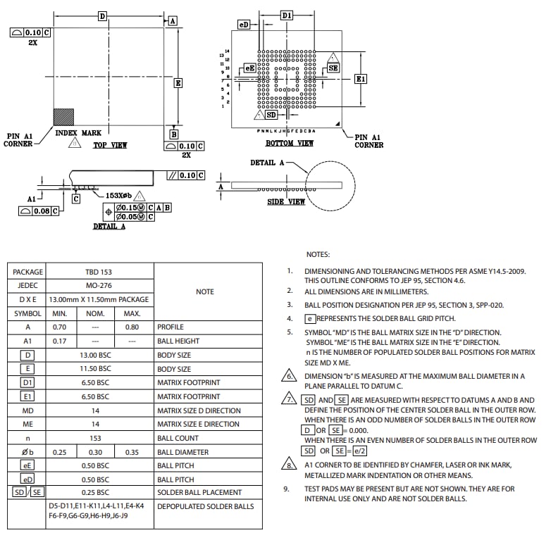
- Available in an 11.5mm x 13mm x 0.8mm 153-ball VFBGA package
- ASFC8G31MA-51BIN:
- 8GB data storage
- Operating voltage ranges:
- 1.7V to 1.95V or 2.7V to 3.6V (SDR/DDR mode) VCCQ
- 2.7V to 3.6V VCC
- ASFC4G31MA-51BIN:
- 4GB data storage
- Operating voltage ranges:
- 1.7V to 1.95V or 2.7V to 3.6V VCCQ
- 2.7V to 3.6V VCC
e.MMC Architecture
153-ball VFBGA Package Dimensions
View Results ( 2 ) Page
| Part Number | Datasheet | Interface Type | Memory Size | Sequential Read | Sequential Write | Supply Voltage - Max | Supply Voltage - Min | Minimum Operating Temperature | Maximum Operating Temperature |
|---|---|---|---|---|---|---|---|---|---|
| ASFC4G31MA-51BIN | ![]() |
eMMC 5.1 | 4 GB | 200 MB/s | 29 MB/s | 3.6 V | 2.7 V | - 40 C | + 85 C |
| ASFC8G31MA-51BIN | ![]() |
eMMC 5.1 | 8 GB | 278 MB/s | 68 MB/s | 3.6 V | 2.7 V | - 40 C | + 85 C |
Published: 2025-05-27
| Updated: 2026-01-15

