Microchip Technology ZL40294B 1 to 20 Fanout Buffers

Microchip Technology ZL40294B 1 to 20 Fanout Buffers are ultra-low additive jitter, low-power buffers that are fully compliant with the Intel DB2000QL Standard. The ZL40294B operates from a 3.3V ±5% supply and supports PCIe Gen 5.0 and Gen 6.0 specs.

The Microchip Technology ZL40294B Buffers offer 12kHz to 20MHz additive phase jitter at 32fs, typical at 156.25MHz. The devices operate over an industrial temperature range of -40°C to +85°C. The ZL40294B is ideal for PCI Express generation 1/2/3/4/5/6 clock distribution, servers, storage, and data centers.

Features

  • Fully compliant with Intel DB2000QL specification
  • 20 low-power push-pull HCSL PCIe outputs
  • Supports PCIe Gen 5.0 and Gen 6.0 specs
  • Ultra-low additive jitter at 12fs typical in DB2000QL band
  • PCIe Gen 6 additive phase jitter at 4fs typical RMS
  • 12kHz to 20MHz additive phase jitter at 32fs typical at 156.25MHz
  • Supports clock frequencies from 0MHz to 250MHz
  • Supports 3.3V power supplies
  • Embedded Low Drop Out (LDO) voltage regulator provides superior power supply noise rejection
  • Maximum output to output skew of 50ps
  • SMBus interface
  • Side-Band Interface (SBI)
  • Eight OE pins
  • Embedded series termination resistors for 85Ω differential transmission line
  • Transparent for spread spectrum clock

Applications

  • PCI Express generation 1/2/3/4/5/6 clock distribution
  • Intel QPI
  • Servers
  • Storage and data centers
  • Switches and routers

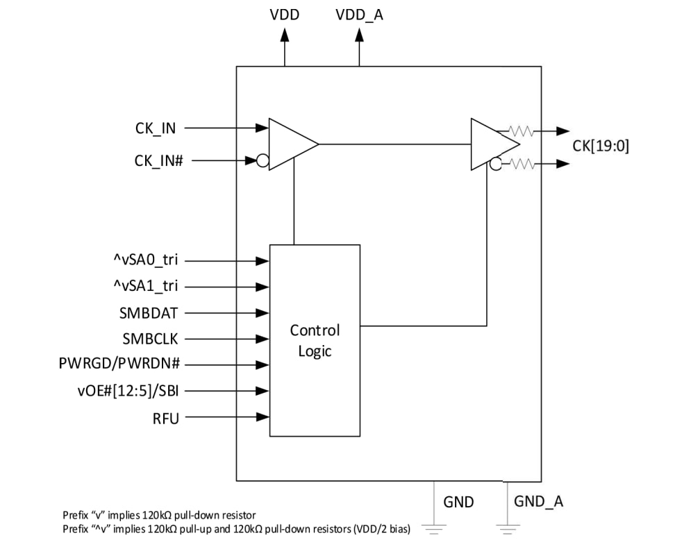
Functional Block Diagram

Block Diagram - Microchip Technology ZL40294B 1 to 20 Fanout Buffers
Published: 2025-07-09 | Updated: 2026-02-05