Renesas Electronics RC192xxA PCIe Gen5/6 Clock Buffers & Multiplexers

Renesas Electronics RC192xxA PCIe Gen5/6 Clock Buffers and Multiplexers feature an ultra-low additive jitter and three signal path options for design flexibility. The integrated source-terminated 85Ω or 100Ω saves up to 64 external for the 16ch MUX variant. The high-speed serial interface (SBI) supports output enable and device daisy-chaining. System security on the RC192xxA is ensured with SMBus write protection.

The Renesas RC192xxA PCIe Gen5/6 Clock Buffers and Multiplexers offer an extended operating temperature in a small package.

Features

  • Low additive phase jitter
    • 7fs RMS PCIe Gen5 additive phase jitter
    • 4fs RMS PCIe Gen6 additive phase jitter
  • <1.7ns maximum in-out propagation delay
  • Power Down Tolerant (PDT) input and Flexible Power Sequencing (FPS)
  • Automatic Clock Parking (ACP)
  • 2:N or (1:N/2) x2 multiplexed options
  • 4-wire Side-Band Interface
  • 9 selectable SMBus addresses
  • SMBus write protection
  • 85Ω or 100Ω output impedance by pin strap setting
  • -40°C to +105°C, 3.3V±10% operation

Applications

  • Cloud/High-performance Computing
  • nVME Storage
  • Networking
  • Accelerators
  • Computing
  • Industrial7

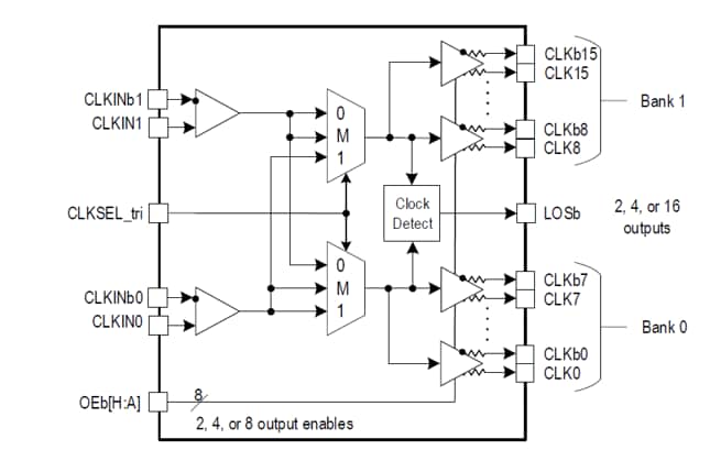
Block Diagram

Block Diagram - Renesas Electronics RC192xxA PCIe Gen5/6 Clock Buffers & Multiplexers
Published: 2022-01-24 | Updated: 2022-03-11