Qorvo QPQ5601 Wi-Fi® U-NII 5 to 8 bandBoost™ Filters
Qorvo QPQ5601 Wi-Fi® U-NII 5 to 8 bandBoost™ Filters are high-performance, high-power, Bulk Acoustic Wave (BAW) band-pass filters. These filters feature low insertion loss in Wi-Fi UNII 5 to 8 bands and high rejection in Wi-Fi UNII 1 to 3 bands. The QPQ5601 BAW filters are specifically designed to enable industry-leading capacity performance in Wi-Fi applications. This results in greater power capability in more Wi-Fi channels than systems with no or traditional filter solutions. These filters offer high power handling to 28dBm averaged input power and 5945MHz to 7125MHz operating frequency range. The QPQ5601 BAW filters operate within the -20°C to 95°C temperature range and are lead-free, RoHS-compliant, and come in a 1.3mm x 1.7mm laminate package. Typical applications include access points, wireless routers, residential gateways, customer premise equipment, and IoT.Features
- Low insertion loss in Wi-Fi® UNII 5 to 8 bands
- High rejection in Wi-Fi UNII 1 to 3 bands
- High-performance
- High-power
- Integrated match
- Lead-free, halogen-free, and RoHS-compliant
Specifications
- 5945MHz to 7125MHz operating frequency range
- 2.5dB insertion loss
- High power handling to 28dBm averaged input power
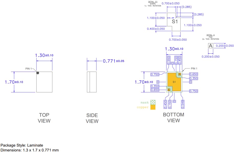
- 1.3mm x 1.7mm laminate package
- -20°C to 95°C operating temperature range
Applications
- Access points
- Wireless routers
- Residential gateways
- Customer premise equipment
- Internet of Things (IoT)
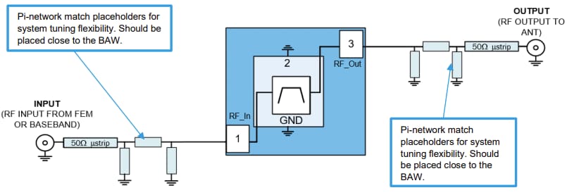
Functional Block Diagram
System Architecture Application Circuit Recommendations
Package Dimensions
Additional Resource
Published: 2023-10-26
| Updated: 2024-04-08
