Qorvo QPL1000 Low Noise Amplifier (LNA)
Qorvo QPL1000 Low Noise Amplifier (LNA) is a packaged, high-performance, and compact amplifier fabricated on Qorvo’s production 0.25μm GaN (Gen II) process. Using GaN Gen II technology, the QPL1000 LNA can withstand up to 5W of CW RF incident power, delivering a saturation power of 15dBm. This amplifier covers an 8GHz to 11GHz frequency range and provides 27dB small-signal gain and a 1.7dB low noise figure. The QPL1000 amplifier is matched to 50Ω with integrated DC blocking capacitors on both I/O ports for easy handling and simple system integration. This amplifier is ideally used in satellite and point-to-point communication systems.Features
- 8GHz to 11GHz frequency range
- 1.7dB noise figure
- 27dB small signal gain
- 15dBm saturation power
- IMD3: -24dBc (@ Pout = 6dBm/tone)
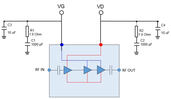
- Bias: VD = 10V, IDQ = 20mA, VG = -2.5V
- 37dBm CW pin robustness
- Plastic over-mold package
- -40°C to 95°C operating temperature range
- 4mm x 4mm x 0.85mm package dimensions
Applications
- Satellite communications
- Point-to-Point communications
Electrical Specifications
Functional Block Diagram
Application Circuit
Mechanical Drawing
Application Note
Published: 2020-09-16
| Updated: 2024-08-26
