Qorvo QPB932x Switch LNA Modules
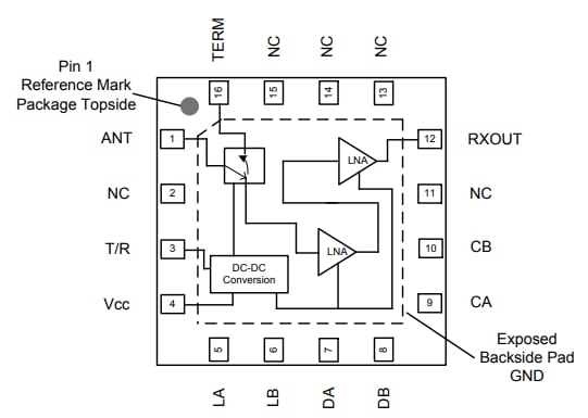
Qorvo QPB932x Switch LNA Modules are highly integrated front-end modules targeted for Time Division Duplex (TDD) base stations. These switch modules integrate a two-stage LNA and a high power switch in a dual channel configuration. The QPB932x switch LNA modules use Qorvo’s high performance Enhanced mode Pseudomorphic High Electron Mobility Transistor (E-pHEMT) process. These switch modules are packaged in RoHS-compliant, compact 7mm x 7mm and 8mm x 8mm surface-mount leadless packages. The QPB932x switch LNA modules find their applications in wireless infrastructure, small cell BTS, and TDD-based architectures.Features
- 1.850GHz to 5GHz of frequency range
- Integrate a two-stage LNA and a high power switch in a dual channel configuration
- Ideal for TDD systems with an isolator
- 32.5dB gain
- Package sizes:
- 7mm x 7mm
- 8mm x 8mm
- 3V to 5V of operation for switch and LNAs
Applications
- Wireless infrastructure
- Macro or picocell base stations
- Pre-5G/5G massive Multi Input Multi Output (MIMO) systems
- TDD-based architectures
eBooks
QPB9320 Block Diagram
QPB9329 Block Diagram
QPB9320 Schematic
Published: 2018-07-04
| Updated: 2023-11-08
