Qorvo QPA2609 7–14GHz GaAs Low Noise Amplifiers
Qorvo QPA2609 7–14GHz GaAs Low Noise Amplifiers are high-performance amplifiers that provide 26dB small signal gain with a low noise figure of 1.1dB. Offering a P1dB of 18dBm, the device delivers 20dBm of power while supporting an IM3 level of −50dBc. The QPA2609 comes in a small 4mm x 4mm QFN plastic overmold, making it ideal in space-constrained applications. Easy system integration is a result of the combined DC blocking caps on both I/O ports. Satellite and point-to-point communication system applications are excellent for Qorvo QPA2609 7–14GHz GaAs Low Noise Amplifiers due to the ease of handling, high-performance, and low noise.Features
- 7GHz –14GHz frequency range
- 1.1dB noise figure
- 26dB small signal gain
- 18dBm P1dB
- −50dBc (@ Pout=0dBm/tone) IM3
- VD = 3.5V, IDQ = 120mA, VG = −0.46V bias
- Plastic overmold package
- 4.0mm x 4.0mm x 0.85mm package dimensions
Applications
- Satellite communications
- Point-to-point communications
- Radar
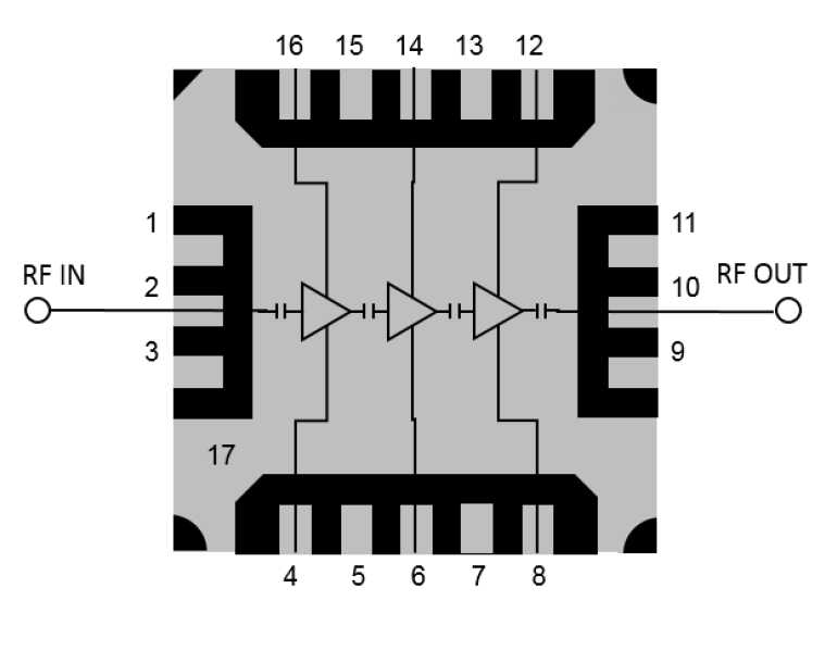
Block Diagram
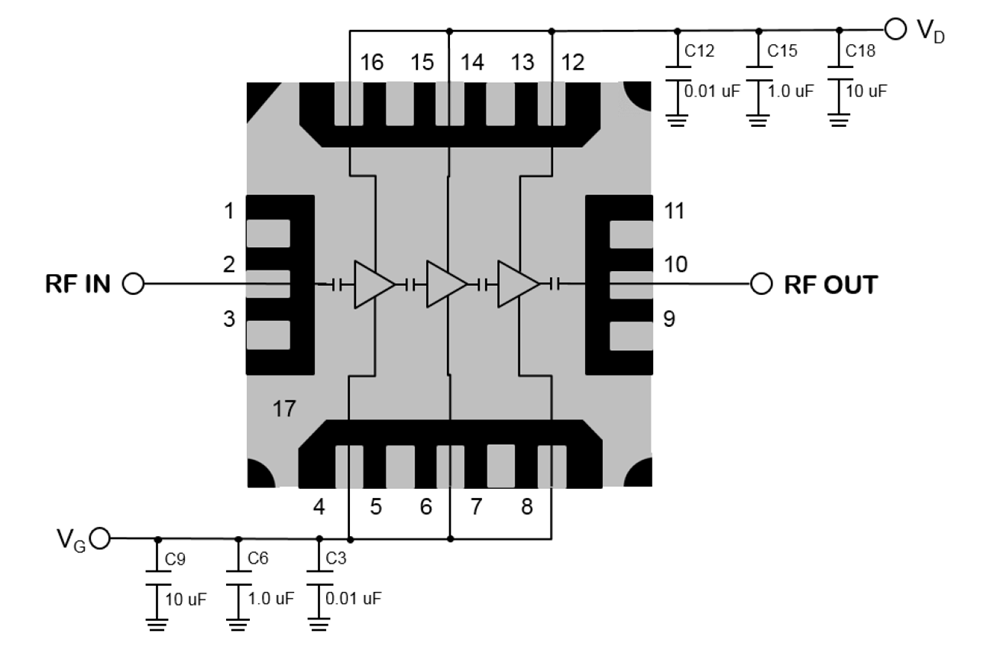
Application Circuit Diagram
Published: 2018-04-26
| Updated: 2023-01-30
