onsemi NXH00xP120M3F2PTxG EliteSiC Half-Bridge Modules
onsemi NXH00xP120M3F2PTxG EliteSiC Half-Bridge Modules are 2-pack modules with two 3mΩ or 4mΩ 1200V SiC MOSFET switches and a thermistor with Zirconia Doped Alumina (HPS) Direct Bonded Copper (DBC) or Silicon Nitride (Si3N4) DBC. The F2 packaged SiC MOSFET switches utilize M3S technology and feature a 15V to 18V gate drive range. Applications include DC-AC, DC-DC, and AC-DC conversions.Features
- 3mΩ or 4mΩ, 1200V M3S SiC MOSFET half-bridges
- F2 package options
- Zirconia Doped Alumina (HPS) Direct Bonded Copper (DBC)
- Silicon Nitride (Si3N4) Direct Bonded Copper (DBC)
- 15V to 18V gate drive range
- Thermistor
- Pre-applied Thermal Interface Material (TIM)
- Press-fit pins
- Lead-free, Halide-free, and RoHS compliant
Applications
- Solar inverters
- Uninterruptible Power Supplies (UPS)
- Electric Vehicle (EV) charging stations
- Industrial power
Datasheets
- EliteSiC, 3mΩ SiC M3 MOSFET, 1200V, 2-pack half-bridge topology
- NXH003P120M3F2PTHG, F2 package with HPS DBC
- NXH003P120M3F2PTNG, F2 package with Si3N4 DBC
- EliteSiC, 4mΩ SiC M3 MOSFET, 1200V, 2-pack half-bridge topology
- NXH004P120M3F2PTHG, F2 package with HPS DBC
- NXH004P120M3F2PTNG, F2 package with Si3N4 DBC
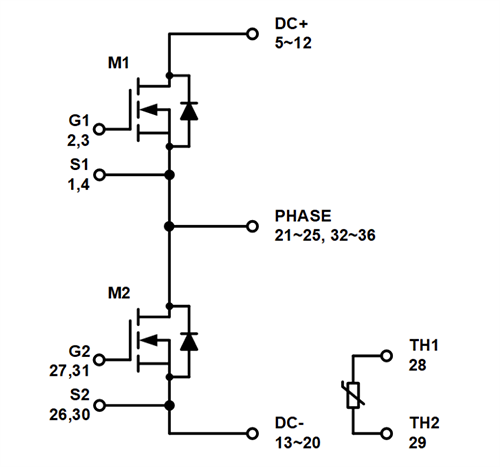
Schematic
Pin Connections
Published: 2023-11-20
| Updated: 2024-06-18
