onsemi NL27WZ08 Dual 2-Input AND Logic Gates

onsemi NL27WZ08 Dual 2-Input AND Logic Gates are high-performance AND gates operating from a 1.65V to 5.5V supply in a -55°C to +125°C temperature range. These devices offer near-zero static supply currents that substantially reduce system power requirements. The onsemi NL27WZ08's reliability and efficiency in handling digital logic tasks make these devices a fundamental component in various electronic designs.

Features

  • Designed for 1.65V to 5.5V VCC operation
  • 2.5ns tPD at VCC = 5V typical
  • Inputs/outputs overvoltage tolerant up to 5.5V
  • IOFF supports partial-power-down protection
  • 24mA source/sink at 3.0V
  • ±100mA latch-up performance
  • -55°C to +125°C operating temperature range
  • Available in US8, UDFN8, and UQFN8 packages
  • Chip complexity < 100 FETs
  • Near zero static supply current substantially reduces system power requirements
  • Moisture Sensitivity Level (MSL) 1
  • UL 94V-0 flammability rating
  • -Q suffix for automotive and other applications requiring unique site and control change requirements, AEC-Q100 qualified and PPAP capable
  • Lead-free, Halogen-free/BFR-free, and RoHS-compliant

Applications

  • Basic logic operations
  • Data processing
  • Control systems
  • Arithmetic circuits
  • Signal conditioning
  • State machines
  • Sensor applications
  • Logic networks
  • Data transmission

Logic Symbol

Mechanical Drawing - onsemi NL27WZ08 Dual 2-Input AND Logic Gates

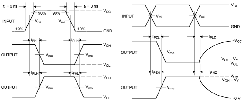
Switching Waveforms

Mechanical Drawing - onsemi NL27WZ08 Dual 2-Input AND Logic Gates
Published: 2024-10-25 | Updated: 2024-11-13