NXP Semiconductors PTN3360D HDMI / DVI Level Shifter
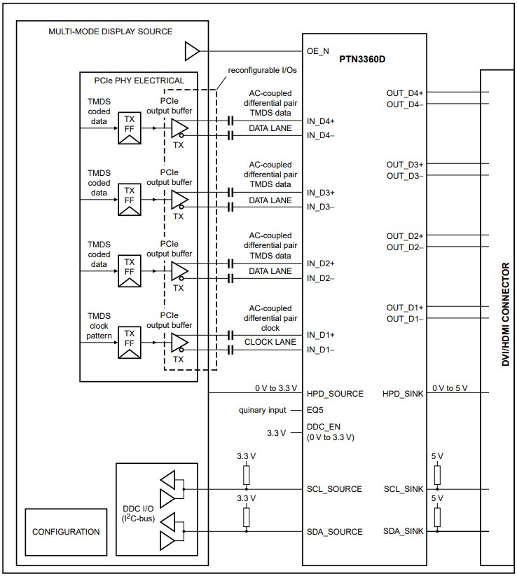
NXP Semiconductors PTN3360D HDMI / DVI level shifters feature an active DDC buffer, supporting deep color mode. The NXP PTN3360D converts four lanes of low-swing AC-coupled differential input signals to DVI v1.0 and HDMI v1.3a compliant open-drain current-steering differential input signals, up to 2.5 Gbit/s per lan to support 36-bit deep color mode. The NXP Semiconductors PTN3360D HDMI / DVI level shifter is ideal for a variety of applications, including PC motherboard/graphics card, Docking station, DisplayPort to HDMI adapters supporting 36-bit deep color mode, and DisplayPort to DVI adapters required to drive long cables.Features
- Level Shifting Features
- Converts four lanes of low-swing AC-coupled differential input signals to DVI v1.0 and HDMI v1.3a compliant open-drain current-steering differential output signals
- TMDS level shifting operation up to 2.5 Gbit/s per lane (250 MHz character clock)supporting 36-bit deep color mode
- Programmable equalizer
- Integrated DDC buffering and level shifting (3.3 V source to 5 V sink side)
- Rise time accelerator on sink-side DDC ports
- HPD non-inverting level shift from 0 V on the sink side to 0 V on the source side, or from 5 V on the sink side to 3.3 V on the source side
- Integrated 200 kΩ pull-down resistor on HPD sink input guarantees 'input LOW' when no display is plugged in
- General Features
- Power supply 3.0 V to 3.6 V
- ESD resilience to 6 kV HBM, 1 kV CDM
- Power-saving modes (using output enable)
- Back-current-safe design on all sink-side main link, DDC and HPD terminals
- Transparent operation: no re-timing or software configuration required
Applications
- PC motherboard/graphics card
- Docking station
- DisplayPort to HDMI adapters supporting 36-bit deep color mode
- DisplayPort to DVI adapters required to drive long cables
Block Diagram
Published: 2011-01-20
| Updated: 2022-03-11
