NXP Semiconductors NT Dual Supply Translating Transceivers

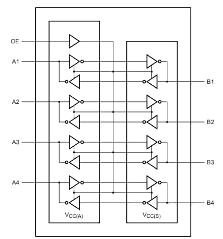
NXP Semiconductors NTS0102 and NTB0102 / NTB0104 Dual Supply Translating Transceivers with auto direction sensing enable bidirectional voltage level translation. These transceivers feature a wide supply voltage range, and the inputs accept voltages up to 5.5V. The NTS0102 variant provides 50Mbps maximum push-pull and features two 2-bit input-output ports, one output enable input, and two supply pins. The NTB0102 modules feature two 2-bit input-output ports, one output enable input, and two supply pins, and the NTB0104 devices feature two data input-output ports, one output enable input, and two supply pins. These NXP transceivers are ideal for use in IC/SMBus, UART, and GPIO applications.

Features

  • Multiple package options
  • Wide supply voltage range
    • VCC(A): 1.2V to 3.6V
    • VCC(B): 1.65V to 5.5V
  • IOFF circuitry provides partial power-down mode operation
  • Inputs accept voltages up to 5.5V
  • Latch-up performance exceeds 100mA per JESD 78B Class II
  • Specified from -40°C to +85°C and -40°C to +125°C
  • ESD protection
    • HBM JESD22-A114E Class 2 exceeds 2500V for A port
    • HBM JESD22-A114E Class 3B exceeds 15000V for B port
    • MM JESD22-A115-A exceeds 200V
    • CDM JESD22-C101E exceeds 1500V (For NTB0104UK 1000V)

Functional diagram

NXP Semiconductors NT Dual Supply Translating Transceivers
Published: 2011-07-29 | Updated: 2024-02-15