NXP Semiconductors FXPS71407x Automotive Safety Pressure Sensors
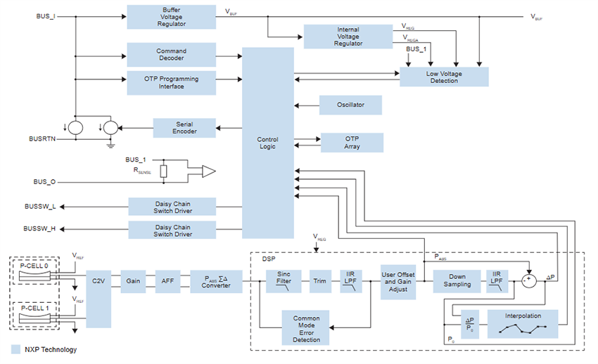
NXP Semiconductors FXPS71407x Automotive Safety Pressure Sensors are designed using NXP's proprietary MEMS sensing technology coupled with a signal conditioning digital integrated circuit (IC) in a QFN 4mm x 4mm x 1.98mm package. The architecture benefits from redundant pressure transducers as an expanded quality measure. Two pressure range options are available: 40kPa to 132.8kPa and 50.9kPa to 126.5kPa. The FXPS71407x sensors support user-configurable DSI3 and PSI5 interfaces and embed a Digital Signal Processor (DSP) with digital low-pass filtering.The FXPS7140x family is fully AEC-Q100 qualified up to +125°C and is compliant with the AK LV 29 requirements. The package has wettable flanks for solder joint inspection. FXPS7140x sensors have been developed following ISO26262 2011 edition and can be used in up to ASIL D systems.
Features
- Inspectable solder joints/wettable flanks
- Two pressure range options are available
- 40kPa to 132.8kPa
- 50.9kPa to 126.5kPa
- Redundant pressure transducers
- Capacitance-to-voltage converter with anti-aliasing filter
- Sigma delta Analog-to-Digital Converter (ADC) plus sinc filter
- Supports user-configurable DSI3 and PSI5 interfaces and embeds a DSP with digital low-pass filtering
- Selectable 370Hz, 2-pole or 400Hz, 3-pole and 4-pole 80Hz, 1000Hz low-pass filter for absolute pressure
- 0.16Hz, 1-pole LPF for P0 value
- 10-bit ΔP/P0 output
- AEC-Q100 qualified
- ISO26262 revision 2011 certified
- Robust design for EMC and mechanical handling
- Self-test diagnostic
- Internal self-tests for transducer and signal chain
- -40°C to +125°C operating temperature range
- 16-pin QFN 4mm x 4mm x 1.98mm package
Applications
- Airbag and crash detection
- Lateral crash detection
- Pedestrian protection systems
- Pinch detection for doors and windows
- Side crash detection
Resources
- Datasheets
- FXPS71407BPS PSI5 Compatible Relative Pressure Sensor
- FXPS71407S DSI3 and PSI5 Compatible Absolute and Relative Pressure Sensor
- Product Introduction
- Application Note AN14033 - DSI3 Communication Procedure Recommendations for FXPS7140Xx
Block Diagram
FXPS7140x PSI5 Transceiver Diagram
FXPS7140 DSI3 Application Diagram
FXPS7140 SPI Application Diagram
Published: 2025-08-05
| Updated: 2025-08-27
