NXP Semiconductors FS8600 Fail-Safe System Basis Chips

NXP Semiconductors FS8600 Fail-Safe System Basis Chips expands the power capability, safety integration, and system scalability of domain controller applications. These chips address the multiple MCU requirements present in ADAS and electrification. The FS8600 basis chips feature HV Buck architecture that offers 15A capability with e-fuse protection to shut down the system power to prevent any damage in case of a harmful event. These chips 6 include multiple switch mode and linear voltage regulators and enhanced safety features with fail-safe outputs.

The FS8600 basis chips have the ability to monitor ten voltages with ±1% accuracy extending the system safety concept. This allows QM rails from other components to be monitored. These basis chips are developed in compliance with the ISO 26262 standard and are qualified according to AEC-Q100 requirements. Typical applications include ADAS, electrification, infotainment, radar, mono camera, stereo camera, and automotive.

Features

  • Operating range:
    • 60VDC maximum input voltage for 24V battery network applications
    • 36VDC maximum input voltage for 12V battery network applications
    • Support operating voltage range down to 4.5V battery voltage with VPRE = 3.3V
    • Low Power OFF mode with low sleep current (10µA typical)
  • Power supplies:
    • VPRE: Synchronous high voltage buck controller with external FETs
      • Configurable output voltage range from 3.3V to 5.0V and current capability up to 15ADC
      • Selectable switching frequency in force PWM with APS
    • BOOST: Low voltage boost converter with integrated low-side FET
      • Configurable output voltage from 5V to 6V and current capability up to 1A DC
    • BUCK: Low voltage integrated synchronous BUCK converter
      • Configurable output voltage from 1.0V to 3.3V and current capability up to 2.5A DC
    • LDO1: Low voltage LDO regulator for MCU I/O and system peripheral support with load switch capability
      • Configurable output voltage from 1.5V to 5.0V and current capability up to 400mA DC
    • LDO2: Medium voltage LDO regulator for MCU I/O and system peripheral support
      • Configurable output voltage from 1.1V to 5.0V and current capability up to 400mA DC
  • System support:
    • 2x input pins for wake-up detection, 3.3V compatible, and battery voltage sensing capability
    • Analog Multiplexer with full System voltages monitoring
    • Enhanced leader/follower power-up sequencing management thru XFAILB pin
    • 10ms optional RSTB release delay during power-up for certain MCU compliancy
    • Device control via 32 bits I2C interface with 8-bit CRC
  • Compliancy:
    • EMC optimization techniques on switching regulators including spread spectrum, slew rate control, and manual frequency tuning
    • EMI robustness supporting various automotive EMI Test standards
    • Conducted emission: IEC 61967-4
    • Conducted immunity: IEC 62132-4
    • Radiated emission: FMC1278 rev. 3 from 2018
    • Radiated immunity: FMC1278 from 2018 and ISO11452-4
  • Functional safety:
    • Scalable portfolio to fit for ASIL B to ASIL D Automotive Safety Systems
    • Independent voltage monitoring circuitry
    • Up to 10 voltage monitoring input for FS86 and external PMIC voltage rails with 1% target accuracy
    • A dedicated interface for MCU monitoring with simple or challenger watchdog monitoring
    • MCU hardware failure monitoring with PWM monitoring capability
    • External IC failure monitoring
    • Logical and Analog built-in self-Ttst
    • Safety Outputs with latent fault detection mechanism (PGOOD, RSTB, and FS0B)
  • Configuration and enablement:
    • QFN 48 pins with exposed pad for optimized thermal management
    • OTP programming for device customization

Applications

  • Domain controller:
    • ADAS, electrification, and infotainment
  • Radar and imaging radar
  • Vision:
    • Mono camera, stereo camera, and night vision camera
  • 24V battery network (60V maximum):
    • Truck, bus, and transportation
  • 12V battery network (36V maximum):
  • Automotive

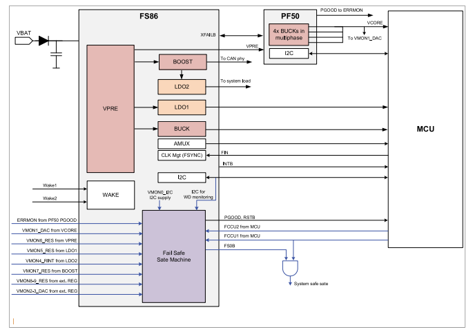
Block Diagram

Block Diagram - NXP Semiconductors FS8600 Fail-Safe System Basis Chips

Application Diagram

Application Circuit Diagram - NXP Semiconductors FS8600 Fail-Safe System Basis Chips
Published: 2022-01-12 | Updated: 2023-04-12