Nisshinbo R5486K Li-Ion & Li-Polymer Battery Protection IC
Nisshinbo R5486K Battery Protection IC protects one-cell Lithium-ion and Lithium-polymer secondary batteries. The R5486K can detect overcharge, over-discharge, excess discharge, and excess charge current. Adding an external resistor to the RSENS pin of the R5486K enables the device to detect a charge or discharge overcurrent more precisely than conventional solutions using FET on-resistance sensing. The excess discharge current detection has two detection stages to ensure detection accuracy. The current consumption after the over-discharge detection is suppressed by stopping the internal circuits. The R5486K Battery Protection IC comes in a compact 1.4mm2 DFN(PLP)1414-6 package, ideal for space-constrained circuit boards or integration into laminated battery packs.0V Charge Prohibition
Nisshinbo R5486K Battery Protection IC prohibits charging 0V (fully discharged) cells. Attempting to charge a fully discharged Li-ion battery may worsen its condition and can cause hazards such as liquid leakage. Using a 0V charge-prohibited battery protection IC prevents such a risk.
Features
- 5V to 5.0V input voltage, 30V absolute maximum
- 0μA supply current (normal mode)
- 1μA supply current (standby mode)
- 1V to 4.6V overcharge detection voltage (0.005V step)
- ±20mV (VDET1 ≤ 4.5V), ±25mV (4.5V < VDET1) overcharge detection accuracy
- 0s overcharge detection delay
- 1V to 3.0V over-discharge detection voltage (0.005V step)
- +35mV over-discharge detection voltage accuracy
- 20ms over-discharge detection delay
- Discharge overcurrent detection voltage
- VDET3-1
- R5486KxxxCG: 0.015V to 0.046V (0.001V step)
- R5486KxxxCM: disable
- VDET3-2
- R5486KxxxCG: 0.030V to 0.080V (0.001V step)
- R5486KxxxCM: 0.025V to 0.080V (0.001V step)
- VDET3-1
- Discharge overcurrent detection accuracy
- ±8% (VDET3-1/3-2 ≥ 0.038V)
- ±3.1mV (VDET3-1/3-2 < 0.038V)
- Discharge overcurrent detection delay
- VDET3-1: 3s, 4s, 5s
- VDET3-2: 12ms
- -0.060V to -0.015V charge overcurrent detection voltage (0.001V step)
- Charge overcurrent detection voltage accuracy
- ±15% (VDET4 ≤ -0.02V)
- ±3mV (VDET4 > -0.02V)
- 16ms charge overcurrent detection delay
- 15V to 0.30V short detection voltage (0.01V step)
- ±45mV short detection voltage accuracy
- 250µs short detection delay
- Latch condition for overcharge restoration
- Latch condition for over-discharge restoration
- Prohibited 0V charge
- -40°C to +85°C operating temperature range
- DFN(PLP)1414-6 package (1.4mm x 1.4mm x 0.4mm)
Applications
- Lithium-ion and Lithium-polymer battery packs
- Smartphones and electronic devices using an onboard Lithium-ion or Lithium-polymer battery
R5486KxxxCG Block Diagram
R5486KxxxCM Block Diagram
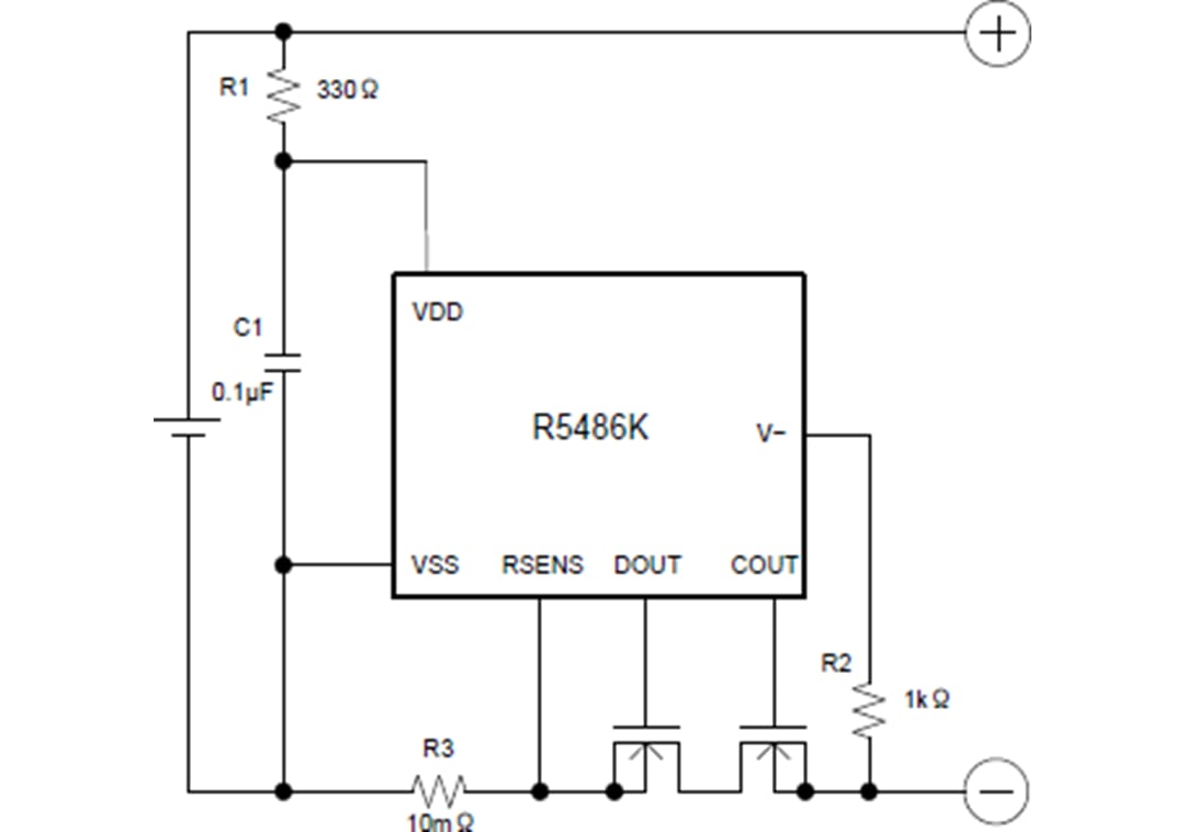
Typical Application Circuit
Pin Designations
Package Outline
Published: 2020-04-03
| Updated: 2024-05-01
