Nexperia PESD2CANFD2x-Qx CAN-FD ESD Protection Diodes

Nexperia PESD2CANFDx-Qx CAN-FD ESD Protection Diodes are leadless, AEC-Q101-qualified, 0.48mm high packages that offer side-wettable flanks for automated optical inspection during production. The QC components are housed in a 1.4mm x 1.2mm DFN1412D-3 (SOT8009) package, while the QB devices come in a 1.1mm x 1mm DFN1110D-3 (SOT8015) size. The packages feature an enlarged internal lead frame for heat dissipation and include a heatsink and a thermal pad. The PESD2CANFDx-Qx series offers a 33V clamping voltage at 1A, low 0.7Ω dynamic resistance, and good RF switching parameters, featuring a mixed-mode insertion loss of +20dB at 300MHz for excellent signal integrity. The devices fulfill CAN-FD specification requirements and exceed the requirements of AEC-Q101. Nexperia PESD2CANFDx-Qx CAN-FD ESD Protection Diodes are ideal for protecting CAN, CAN-FD, FlexRay, and SENT interfaces in automotive environments.

Features

  • 0.48mm high packages with side-wettable flanks
  • 3.3V clamping voltage at 1A
  • 0.7Ω dynamic resistance
  • +20dB mixed-mode insertion loss at 300MHz
  • Internal lead frame includes a heatsink and a thermal pad
  • Fulfills CAN-FD specification requirements
  • AEC-Q101 qualified

Applications

  • In-vehicle network lines in automotive environments
    • CAN-FD
    • CAN
    • FlexRay
    • SENT

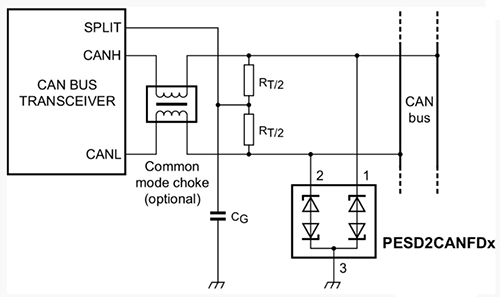
Application Circuit Diagram

Application Circuit Diagram - Nexperia PESD2CANFD2x-Qx CAN-FD ESD Protection Diodes
Published: 2020-12-03 | Updated: 2025-11-20