Monolithic Power Systems (MPS) MPQ4467-AEC1 36V 2.5A Step-Down Converter
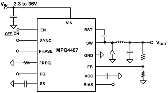
MPS MPQ4467-AEC1 36V 2.5A Asynchronous Step-Down Converter is frequency-programmable (350kHz to 2.5MHz) with an integrated internal high-side power MOSFET. In a QFN-16 package (3mm x 4mm), the converter provides a 2.5A highly efficient continuous output current with a current mode control for fast loop response. The wide 3.3V to 36V operating input range enables multiple automotive step-down applications. High-efficiency in light-load conditions is achieved through advanced asynchronous modulation (AAM) by scaling down the switching frequency to reduce the switching and gate driver losses.Features
- 3.3V to 36V operating input range
- 2.5A continuous output current
- 1μA low shutdown mode current
- 10μA sleep mode quiescent current
- Internal 90mΩ high-side MOSFET
- 350kHz to 2.5MHz programmable switching frequency
- Synchronize to external clock
- Selectable in-phase or 180° out-of-phase
- Power good indicator
- Programmable soft-start time
- 80ns minimum on time
- Low dropout mode
- Over-current protection (OCP) and hiccup mode
- QFN-16 (3mmx4mm) package
- AEC-Q100 Grade 1
Applications
- Automotive systems
- Industrial power systems
- Battery-powered applications
Typical Application
Efficiency vs. Load Current
Published: 2021-02-15
| Updated: 2022-03-11
