Monolithic Power Systems (MPS) MPM81204 Step-Down Power Module

Monolithic Power Systems (MPS) MPM81204 Step-Down Power Module is a quad-output step-down module with dual 12A and 5A outputs. It operates at a high efficiency across a wide output current load range. It adopts internally compensated constant-on-time (COT) control to provide a fast transient response and easy loop stabilization.

A single resistor allows the operating frequency to be set to 600kHz, 800kHz, or 1000kHz. This allows the frequency to remain constant, regardless of the input or output voltage. Four open-drain power good signals indicate when the outputs are within their normal voltage range. When the input supply fails to power the MPM81204, the PGOOD pin is clamped to about 0.7V with an external pull-up voltage.

Fully integrated protection features include over-current protection (OCP), over-voltage protection (OVP), and over-temperature protection (OTP). The Monolithic Power Systems (MPS) MPM81204 requires a few readily available, standard external components. It is available in a BGA (9.5mm × 16mm × 4.98mm) package.

Features

  • Wide 4V to 16V input voltage (VIN) range
  • CH0, CH3 have a dual 12A DC output from 0.6V to 3.3V
  • CH1, CH2 have a dual 5A DC output from 0.6V to 5.5V
  • Adaptive COT for ultra-fast transient response
  • Stable with zero ESR output capacitor
  • Forced Continuous Conduction Mode (FCCM)
  • Excellent load regulation
  • Output Voltage (VOUT) tracking
  • VOUT discharge
  • PGOOD actively clamped to a low level during power failure
  • Configurable soft-start time
  • Pre-biased start-up
  • 600kHz, 800kHz, or 1000kHz selectable switching frequency
  • Non-latch Over-Current Protection (OCP), Over-Voltage Protection (OVP), Under-Voltage Lockout (UVLO), and thermal shutdown
  • Available in a BGA (9.5mm×16mmx4.98mm) package

Applications

  • Telecommunication systems
  • Networking systems
  • Servers
  • Base stations

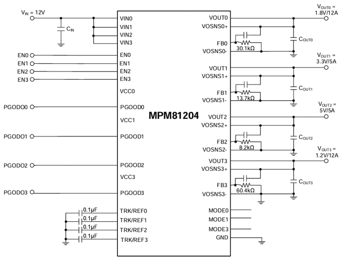
Typical Application

Application Circuit Diagram - Monolithic Power Systems (MPS) MPM81204 Step-Down Power Module
Published: 2024-11-08 | Updated: 2024-11-11